ENGINE | ENGINE, THROTTLE CONTROL ASM. - S21EDB6PSL (601402)

ENGINE | ENGINE, THROTTLE CONTROL ASM. - S21EDB6PSL (601402)
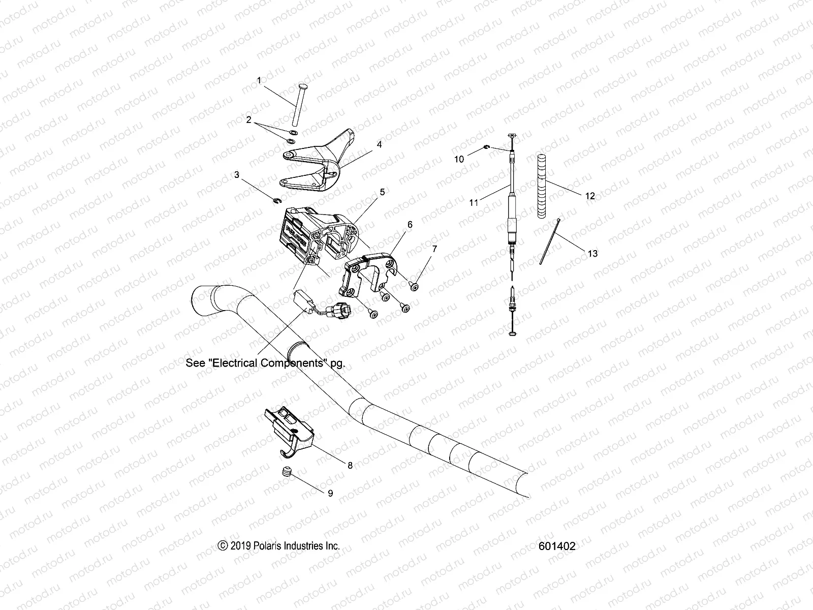
1
7661624
PIN-RETAINING
Цена по
запросу
2
7555730
Rondelle
Цена по
запросу
3
7710401
RING RETAINING
Цена по
запросу
4
2010424
ASM-LEVER HTR HI/LO 35.5MM
Цена по
запросу
5
5450861
BLOCK-THROTTLE UPPER
Цена по
запросу
6
5450862
COVER-THROTTLE
Цена по
запросу
7
7511848
Vis
Цена по
запросу
8
5450836
BLOCK-THROTTLE LOWER
Цена по
запросу
9
7519755
SCR-SH-SET-M8X1.25X8 8.8 ZOD K
Цена по
запросу
10
7710503
RING RETAINING
Цена по
запросу
11
7081929
Câble de gaz
Цена по
запросу
12
8360056-38
TUBING-CONVOLUTED 38CM
Цена по
запросу
13
7080138
CABLE TIE
Цена по
запросу

Узлы для