CHASSIS | CHASSIS, CHASSIS ASM. and OVER STRUCTURE - S21EDB6PSL (601269)

CHASSIS | CHASSIS, CHASSIS ASM. and OVER STRUCTURE - S21EDB6PSL (601269)
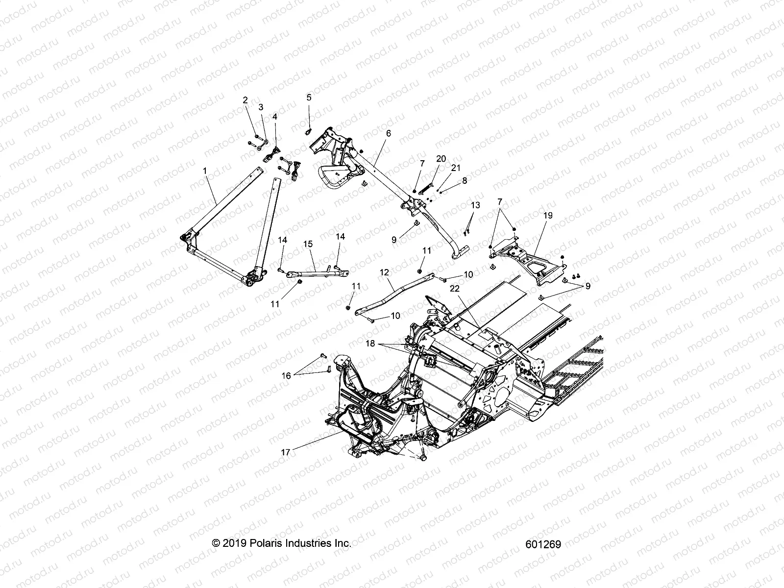
1
1024052
ASM-FRAME TUBULAR FRONT ALUM
Цена по
запросу
2
7519967
SCR-HXFL-M6X1X50 10.9 ZODP30DP
Цена по
запросу
3
5633083
SHIM-TUBE CAST 31.76 DIA
Цена по
запросу
4
5633122
SPACER-TUBE CAST 27.00 DIA
Цена по
запросу
5
7081496
CLIP-ROUTING
Цена по
запросу
6
1021007
ASM-TUBE FRAME REAR
Цена по
запросу
7
7547453
NUT-HXFL-M6X1.0 8 ZB3 NYL
Цена по
запросу
8
7546601
NUT NYLOK
Цена по
запросу
9
7520514
SCR-SPCL M6X1.0X16 8.8 ZC
Цена по
запросу
10
7518953
SCR-M8X1.25X30 8.8 TR/TX ZOD
Цена по
запросу
11
7547332
NUT-M8X1.25 FLG NYLOC-OLIVE D
Цена по
запросу
12
5337391-329
TUBE-BRACE LH BLK
Цена по
запросу
13
7661637
RIVET INTERLOCK Z
Цена по
запросу
14
7518906
CL8.8 OLV-D
Цена по
запросу
15
1019861-067
WELD-TUBE BRACE RH BLK
Цена по
запросу
16
7519070
SCR-TXTH-M8X1.25X25 8.8 ZODP30
Цена по
запросу
17
1022432-067
ASM-TUNNEL CONV 137 BLK
Цена по
запросу
17
1026710-067
ASM-CHASSIS 600/800 137 BLK
Цена по
запросу
18
5814187
PAD-2.5X2.5
Цена по
запросу
19
1021376-458
ASM-BRKT FUEL TANK REAR MBLK
Цена по
запросу
20
1023672
ASM-STUD PLATE 5MM
Цена по
запросу
21
7556071
WSHR-FL 5.5X1.0
Цена по
запросу
22
5814353
PAD-40X63.5
Цена по
запросу

Узлы для