ENGINE | ENGINE, CYLINDER - S21EDB6PSL (600550)

ENGINE | ENGINE, CYLINDER - S21EDB6PSL (600550)
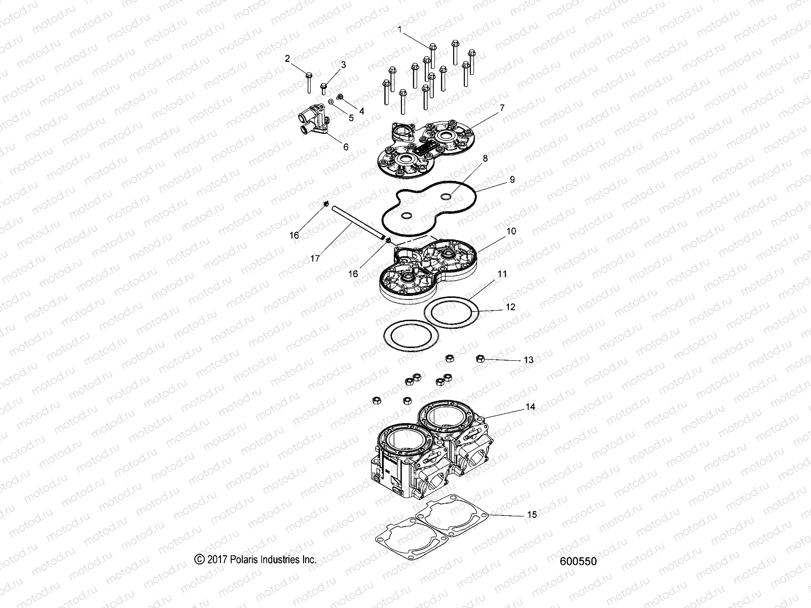
1
7517533
SCREW M8X1.25X55
Цена по
запросу
2
7516825
Vis
Цена по
запросу
3
7516822
Vis
Цена по
запросу
4
7520470
SCR-M6X1.0X13 SL/HX/FL-Z BLEED
Цена по
запросу
5
7555998
WASHER FLAT
Цена по
запросу
6
5139019
COVER-TSTAT DUAL OUT MACH
Цена по
запросу
7
5138804
COVER-HEAD 77.25 MACH AS
Цена по
запросу
8
5411411
O-Ring
Цена по
запросу
9
5414803
SEAL-GLAND HEAD 77.25 AS
Цена по
запросу
10
3022590
HEAD-CYLINDER 77.25 AS NOM
Цена по
запросу
11
5415031
O-RING 119X124X2.5
Цена по
запросу
12
5410932
O-Ring
Цена по
запросу
13
7547013
Nut
Цена по
запросу
14
3022663
CYLINDER-77.25 600LE BP OR
Цена по
запросу
15
5813312
GASKET-BASE CYL METAL
Цена по
запросу
16
7082198
SPRINGBAND CLAMP 14.0/10
Цена по
запросу
17
5415236
HOSE-COOLANT 5/16 22CM LONG
Цена по
запросу

Узлы для