ELECTRICAL | ELECTRICAL, IGNITION SYSTEM - S21EDB6PSL ALL OPTIONS (600914)

ELECTRICAL | ELECTRICAL, IGNITION SYSTEM - S21EDB6PSL ALL OPTIONS (600914)
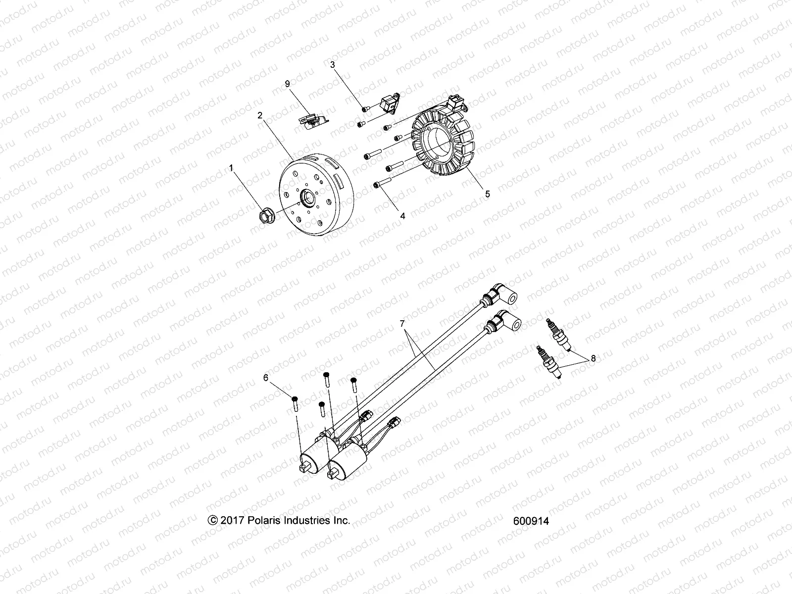
1
7518299
NUT-FLANGE M14X1.50 -D
Цена по
запросу
2
4012121
FLYWHEEL-KOK DC-SDI
Цена по
запросу
3
7517847
SCR-M5X0.8X10 SOC/CP-D
Цена по
запросу
4
7517848
SCR-M6X1.0X35 SOC/CP-Y/D
Цена по
запросу
5
4014958
STATOR
Цена по
запросу
6
7512098
Vis
Цена по
запросу
7
4013156
Spark plug cap
Цена по
запросу
7
4014514
Bobine d'allumage (DC-SDI W/ZIP PTO)
Цена по
запросу
7
4014515
Bobine d'allumage (DC-SDI W/ZIP TIE MAG)
Цена по
запросу
8
3022082
Bougie d'allumage
Цена по
запросу
9
5437349
RETAINER-WIRE V8 SDI
Цена по
запросу

Узлы для