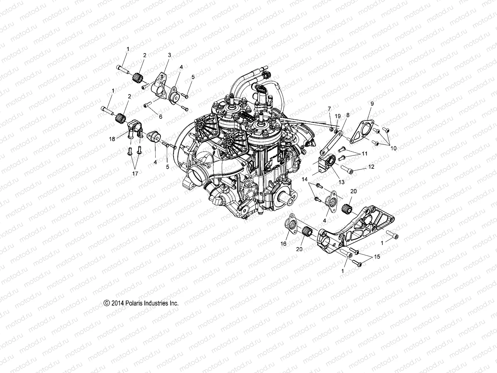
ENGINE | ENGINE, MOUNTING - S21EDB6PSL (49SNOWENGINEMOUNT156PROS)

ENGINE | ENGINE, MOUNTING - S21EDB6PSL (49SNOWENGINEMOUNT156PROS)
0
2206134
K-LONG BLOCK 600 AXYS
Цена по
запросу
1
7519334
SCR-SH-M10X1.5X50 12.9 ZFK NYL
Цена по
запросу
2
3023291
MOUNT-ENGINE INSERT RAD MAG
Цена по
запросу
3
5138294
MOUNT-ENGINE REAR MAG MACH
Цена по
запросу
4
3023293
Gebruik/Utilisez 3022713
Цена по
запросу
5
7516823
Vis
Цена по
запросу
6
7519010
SCR-M8X1.25X25 8.8 SH ZOD P30
Цена по
запросу
7
7547332
NUT-M8X1.25 FLG NYLOC-OLIVE D
Цена по
запросу
8
1019180
ASM-TORQUE LINK FIXED
Цена по
запросу
9
1020378
ASM-BEARING FLANGE JACKSHAFT
Цена по
запросу
10
7520311
SCR-TXTH-M8X1.25X15 8.8 ZODP30
Цена по
запросу
11
7519648
SCR-HXBH-M8X1.25X20 TX W/PATCH
Цена по
запросу
12
7519119
SCR-SH-M10X1.5X25 ZOD
Цена по
запросу
13
3022281
LIMITER-TORQUE ENGINE
Цена по
запросу
14
7516822
Vis
Цена по
запросу
15
7519049
SCR-TXTH M8X1.25X35 8.8ZOD P80
Цена по
запросу
16
3023292
Gebruik/Utilisez 3022712
Цена по
запросу
17
7519070
SCR-TXTH-M8X1.25X25 8.8 ZODP30
Цена по
запросу
18
5139042
MOUNT-ENGINE FRT BASE MACH
Цена по
запросу
19
7556216
WASHER-.315/.325X.88X.075 FL-Y
Цена по
запросу
20
3023290
MOUNT-ENGINE INSERT RAD PTO
Цена по
запросу

Узлы для