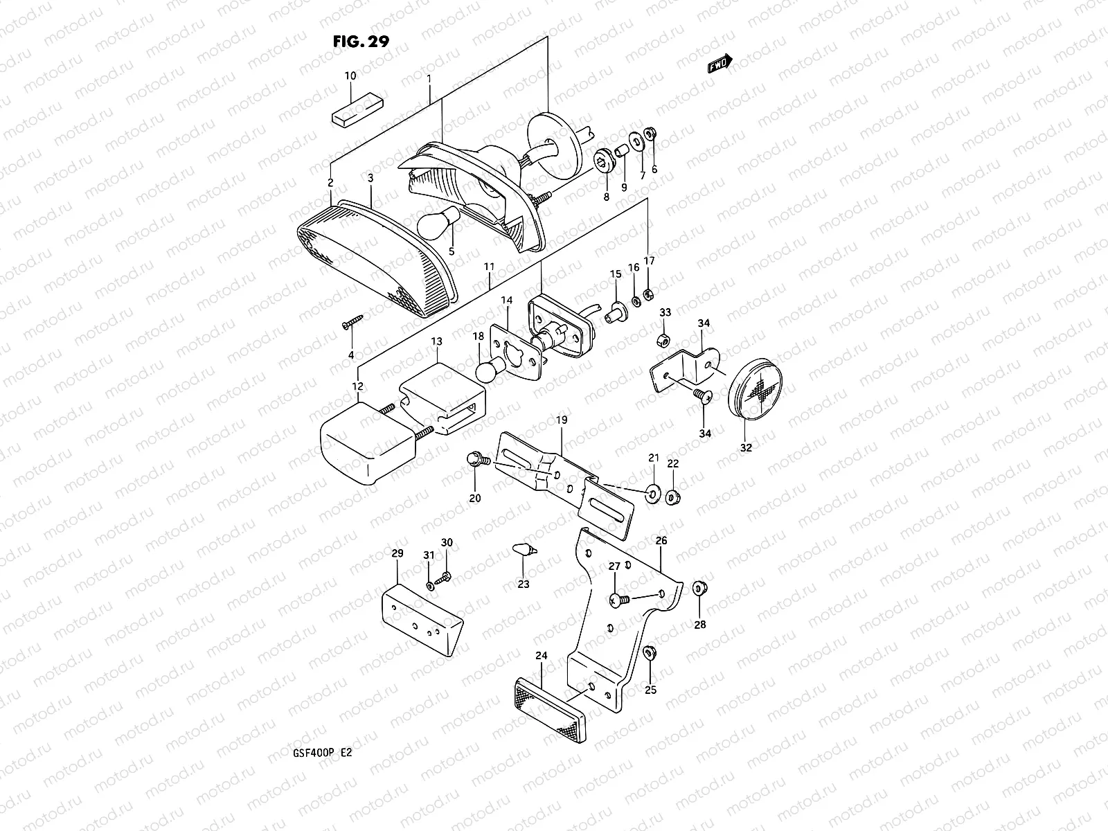
29 - REAR COMBINATION LAMP

29 - REAR COMBINATION LAMP
1
35710-45C00
Taillight assy.
1
35710-45C10
Taillight assy.
2
35712-38B30
Линза
2 444 ₽
3
35713-38B30
Прокладка
489 ₽
4
03511-0416A
Болт
900 ₽
5
40503-00838-069
P21/5w,5w, bay1 (12V 21/5W BAY15d)
6
08319-31067
Гайка
153 ₽
7
09160-06077
Шайба (6.5X20X1.2)
102 ₽
8
09320-09009
РЕЗИНКА
187 ₽
9
09180-06262
Кольцо/шайба
162 ₽
10
35733-10D00
ZITTING
11
35910-24B20
Фонарь подсветки номера
26 197 ₽
11
35910-24B30-999
Фонарь подсветки номера
12 395 ₽
12
35917-38A20
COVER,LICENSE LAMP
10 596 ₽
13
35912-38A20
Линза
1 138 ₽
13
35912-38A30
Линза
1 024 ₽
14
35913-38A30
Прокладка
172 ₽
15
35766-24B30
Кольцо/шайба
172 ₽
16
08321-0104A
Пластина замка
82 ₽
17
08310-00047
Гайка
81 ₽
18
09471-12140-LCP
Bulb
19
35927-17C00
Bracket,lic.plt
19
35927-00A10
Кронштейн
708 ₽
20
01550-0616B
БОЛТ
81 ₽
21
09160-06088
ШАЙБА
97 ₽
22
08319-31067
Гайка
153 ₽
23
09321-06031
Damper
23
77192-50E00
CUSHION
272 ₽
24
35970-00A10
REFLEX REFLECTOR,RR
2 256 ₽
25
08316-2005A
Гайка
85 ₽
26
35974-10D10
Bracket, rear
27
02142-06127
Винт 6X12
81 ₽
28
08316-10067
Гайка
1 330 ₽
29
35977-12C00
Spacer
30
03541-0412A
ШАЙБА
85 ₽
31
08322-0104B
Шайба
81 ₽
32
35970-14A10
REFLEX REFLECTOR,RR
1 052 ₽
33
08361-1505B
Гайка
82 ₽
34
35975-10D00
Bracket, rear side rh
34
35976-10D00
Bracket, rear side lh
35
02142-0610B
Винт держатель
85 ₽

Узлы для