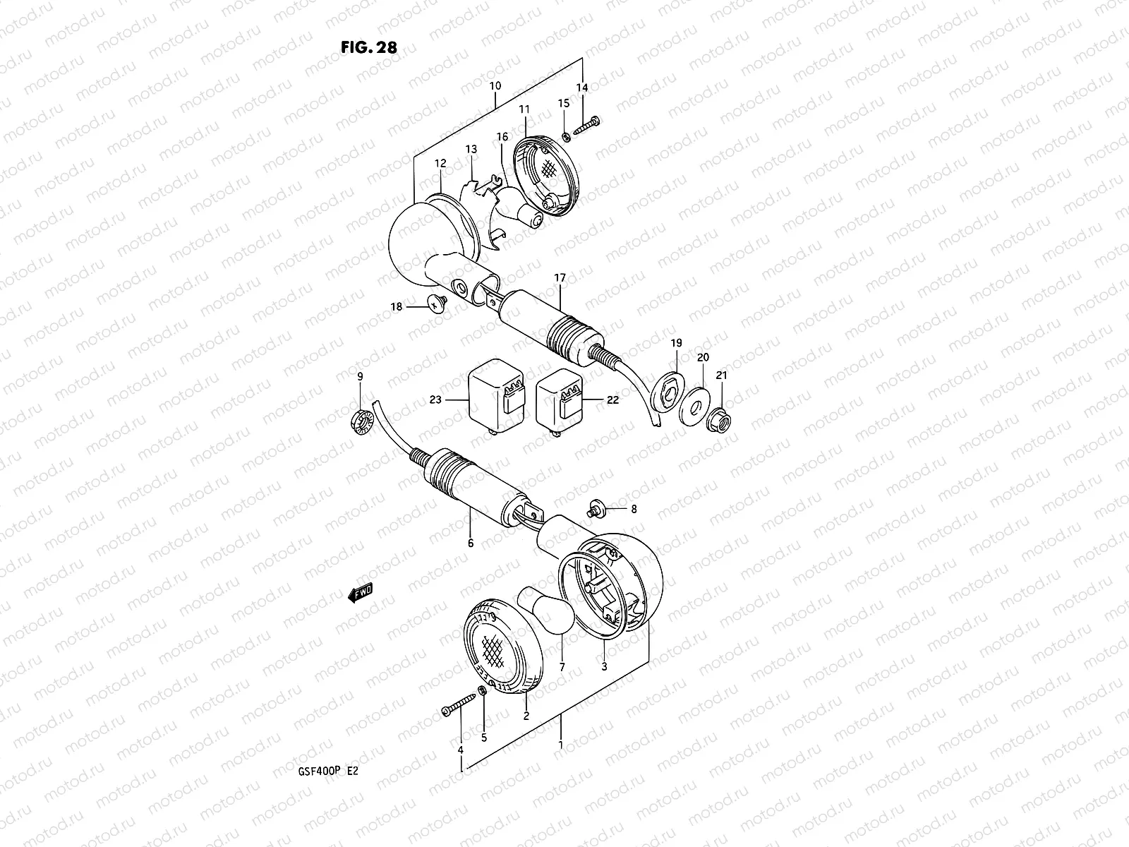
28 - TURN SIGNAL LAMP

28 - TURN SIGNAL LAMP
1
35601-45C10
lignotant
1
35601-45C10
lignotant
2
35612-38A01
Линза
931 ₽
3
35613-38A00
Прокладка
239 ₽
4
03211-0425B
Болт
82 ₽
5
35627-43010
GASKET
179 ₽
6
35619-45C00
.stay, turn lamp
6
35619-45C10
STAY,TURNSIGNAL FR
2 424 ₽
7
40503-00838-120
Bulb (12V 21W BA15s)
8
35623-38A01
SCREW
352 ₽
9
08316-1010B
Гайка
85 ₽
10
35603-45C10
lignotant
10
35603-45C00
Lamp assy, rear turn rh
10
35603-45C30
Lamp assy, rear turn rh
10
35604-45C30
Lamp assy, rear turn lh
11
35652-38A21
Линза
782 ₽
12
35613-38A00
Прокладка
239 ₽
13
35654-38A20
Катафот
1 329 ₽
14
03211-0425B
Болт
82 ₽
15
35627-43010
GASKET
179 ₽
16
40503-00838-120
Bulb (12V 21W BA15s)
17
35659-45C10
STAY,TURNSIGNAL RR
3 108 ₽
18
35623-38A01
SCREW
352 ₽
19
35695-17C00
ШАЙБА
204 ₽
20
09160-10094
WASHER(10.5X30X3.2)
119 ₽
21
08316-1010B
Гайка
85 ₽
22
38610-31X50
RELAY ASSY,TURNSIGNAL
2 805 ₽
23
38610-06F01
Relay Assy,turnsignal Lamp
5 435 ₽

Узлы для