ЭЛЕКТРИЧЕСКОЕ ОБОРУДОВАНИЕ для GSF400 N Bandit (E02) SUZUKI (VIN: GK75A, GK75B)

24 - ELECTRICAL
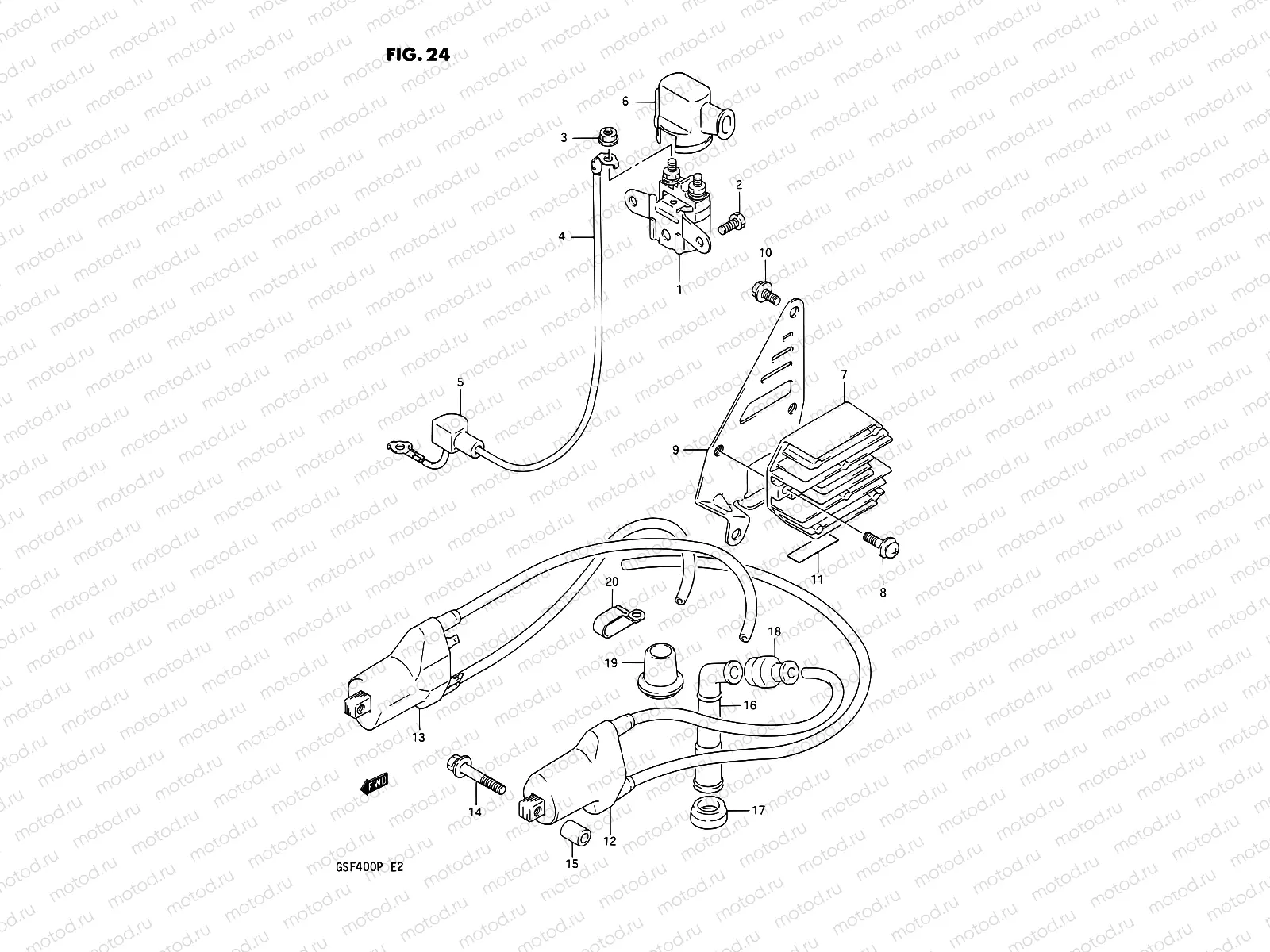
1
31800-49100
Реле стартера
8 245 ₽
2
09128-06044
SCREW(6X10)
129 ₽
3
08361-3506A
ГАЙКА
82 ₽
4
33850-04A00
Wire,starter
Цена по
запросу
5
31861-06C00
AP,STARTER MOTOR TERMINAL
227 ₽
6
Цена по
запросу
7
32800-33C01
RECTIFIER ASSY
62 560 ₽
8
02112-1620B
Болт
85 ₽
9
41560-10D00
Bracket, rectifier
Цена по
запросу
10
01550-06207
БОЛТ
85 ₽
11
32851-10D00
PROTECTOR(12X40)
348 ₽
12
33410-32X50
Катушка зажигания
14 741 ₽
13
33420-34C00
Катушка зажигания
12 747 ₽
14
Цена по
запросу
15
09180-06198
SPACER(6.2X12X16)
2 150 ₽
16
33510-48B10
Свечной колпачок
1 938 ₽
17
33541-23E01
SEAL,SPARK PLUG CAP
318 ₽
18
33542-38B00
Уплотнение
162 ₽
19
33543-32C01
OVER,SPARK PLUG CAP
2 072 ₽

Узлы для