РАДИАТОР для GSF400 N Bandit (E02) SUZUKI (VIN: GK75A, GK75B)

15 - RADIATOR
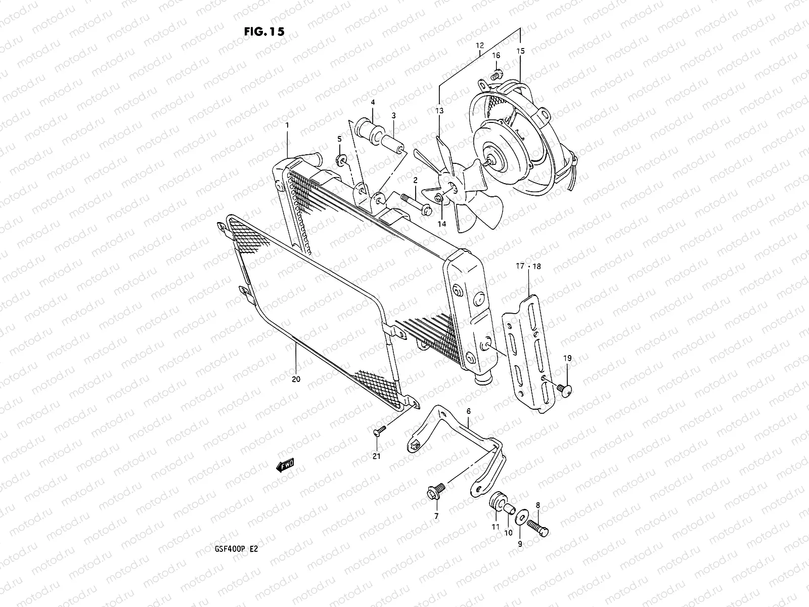
1
17710-10D00
RADIATOR
Цена по
запросу
2
01550-0645A
Болт
102 ₽
3
09180-06313
SPACER,6.5X12X30
Цена по
запросу
4
09320-12051
Cushion
Цена по
запросу
5
08319-31067
Гайка
153 ₽
6
17741-10D00
Bracket, radiator lower
Цена по
запросу
7
01550-0816B
Болт крепёжный
97 ₽
8
01550-0620B
БОЛТ
81 ₽
9
09160-06054
Шайба
129 ₽
10
09180-06290
Кольцо/шайба
1 250 ₽
11
09320-10042
CUSHION
2 070 ₽
12
17780-10D10
Fan assy,radiat
Цена по
запросу
13
Цена по
запросу
14
08319-31067
Гайка
153 ₽
15
17770-10D20
Shroud,fan
Цена по
запросу
16
01550-0610B
Болт
85 ₽
17
17761-10D01
Cover,rdtr ,r.
Цена по
запросу
18
17762-10D01
COVER,RADIATOR
4 848 ₽
19
09139-06027
Винт (6х12)
194 ₽
20
17790-10D02
Net,radiator
Цена по
запросу
21
09125-04024
SCREW(4X12)
1 560 ₽

Узлы для