FRONT STRUT ASSEMBLY 6x6 400L - U.S. W958740 | FRONT STRUT ASSEMBLY 6x6 400L - U.S. W958740, SWEDISH S958740 and NORWEGIAN (4930273027B008)

FRONT STRUT ASSEMBLY 6x6 400L - U.S. W958740 | FRONT STRUT ASSEMBLY 6x6 400L - U.S. W958740, SWEDISH S958740 and NORWEGIAN (4930273027B008)
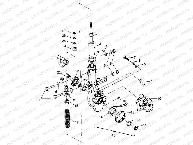
1
5412529
BUMPER-MCU 19.1MM ID
Цена по
запросу
2
2201460
STRUT KIT FRONT SACHS ST
Цена по
запросу
3
5211115
Rondelle
Цена по
запросу
4
7080573
CLAMP RUBBER-COATED .562
Цена по
запросу
5
7558402
WASHER FLAT
Цена по
запросу
6
7542303
NUT FLEX-LOC
Цена по
запросу
7
7512365
SCREW CAP
Цена по
запросу
8
7552901
Rondelle (Lock)
Цена по
запросу
9
5810439
RETAINER,WIRE,STRUT CAST
Цена по
запросу
10
LR--
CALIPER, BRAKE, RH
Цена по
запросу
11
3554509
BEARING TAPERED ROLLER
Цена по
запросу
11
3554506
BRG TAPER.ROLL.CONE
Цена по
запросу
12
3554507
BRG TAPER ROLL CUP
Цена по
запросу
13
5222193
SLEEVE STRUT HUB SEAL
Цена по
запросу
14
2201313
HUB/COIL(KIT)
Цена по
запросу
15
2200975
HUBSTRUT ASM LH
Цена по
запросу
15
2200976
HUBSTRUT ASM RH
Цена по
запросу
16
7080306
FITTING LUBE.W/BALL CK.
Цена по
запросу
17
7041375-195
DESC NOT_AVAILABLE
Цена по
запросу
18
5220602
RETAINER,SPRING,TOP
Цена по
запросу
19
5432871
PIVOT BALL BOTTOM
Цена по
запросу
20
5130668
SPACER THREADED
Цена по
запросу
21
7515339
Vis
Цена по
запросу
23
3610028
SEAL HUB STRUT
Цена по
запросу
24
5432872
PIVOT BALL TOP
Цена по
запросу
25
5810291
SPACER RUBBER
Цена по
запросу
26
7555749
Rondelle
Цена по
запросу
27
7542507
NUT FLEX LOC
Цена по
запросу

Узлы для