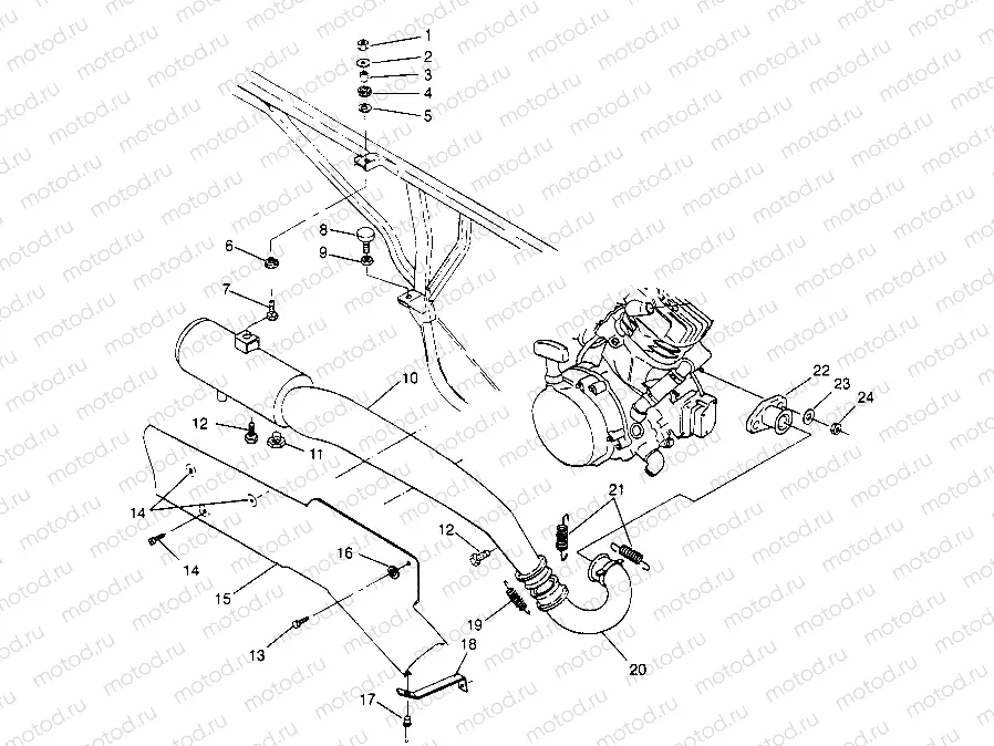
EXHAUST SYSTEM 6x6 400L - U.S. W958740 | EXHAUST SYSTEM 6x6 400L - U.S. W958740, SWEDISH S958740 and NORWEGIAN N95 (4930273027A013)

EXHAUST SYSTEM 6x6 400L - U.S.  W958740 | EXHAUST SYSTEM 6x6 400L - U.S.  W958740, SWEDISH  S958740 and NORWEGIAN N95 (4930273027A013)
1
7542324
Nut (SELF-LOCKING)
Цена по
запросу
2
7555716
Rondelle
Цена по
запросу
3
5010192
BUSHING
Цена по
запросу
4
5410436
Rondelle (Rubber)
Цена по
запросу
5
7555781
BUSHING
Цена по
запросу
6
5412508
DAMPENER-VIBRATION
Цена по
запросу
7
7515316
Vis
Цена по
запросу
8
3110030
MOUNT, MOTOR
Цена по
запросу
9
7542432
NUT JAM
Цена по
запросу
10
1260616-029
"""EXHAUST WELD (350-6X6)BLK."""
Цена по
запросу
11
7052083
PLUG, CLEANOUT
Цена по
запросу
12
7512666
Vis
Цена по
запросу
13
7512282
BOLT BLACK
Цена по
запросу
14
7515140
Vis
Цена по
запросу
15
1260717
HEATSHIELD ASM.
Цена по
запросу
16
7558301
WASHER FLAT
Цена по
запросу
17
7621462
RIVET
Цена по
запросу
18
5240179-067
BRKT,BLK,HEATSHIELD
Цена по
запросу
19
7041687
Spring
Цена по
запросу
20
1260549-029
HEADPIPE WELD.
Цена по
запросу
21
7042029
Spring
Цена по
запросу
22
1260543-029
MANIFOLD, BLK.
Цена по
запросу
23
3080530
Rondelle (Lock)
Цена по
запросу
24
3087199
Nut
Цена по
запросу

Узлы для