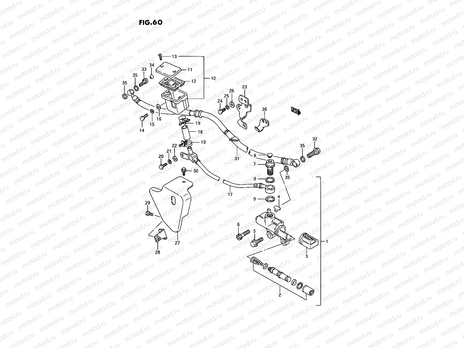
60 - REAR MASTER CYLINDER (MODEL H/J/K/L/M/N/P/R)

60 - REAR MASTER CYLINDER (MODEL H/J/K/L/M/N/P/R)
1
69600-38B01
CYLINDER ASSY,RR MASTER
55 080 ₽
2
69600-38810
PISTON/CUP SET
3 472 ₽
3
69691-38B00
Ботинок
786 ₽
4
69696-38B00
PLATE,STOP
528 ₽
5
01550-0820A
БОЛТ
102 ₽
7
09360-14013
Болт соединяющий
17 710 ₽
8
09250-08014
CAP(OD:12)
194 ₽
9
69662-38B00
Шайба
278 ₽
10
69740-38B31
TANK ASSY,RESERVOIR
5 787 ₽
11
69669-24A01
CAP
954 ₽
12
59667-04700
УПЛОТНИТЕЛЬ
799 ₽
13
69689-04A00
Болт
187 ₽
14
01500-06207
Болт
81 ₽
15
08321-01067
Шайба, стопорная
81 ₽
16
08322-0106A
Шайба
81 ₽
17
69730-38B00
Шланг
21 114 ₽
18
69731-38B00
Шланг
489 ₽
19
09400-16304
КОЛЬЦО
2 460 ₽
20
01500-06127
Болт
81 ₽
21
08321-01067
Шайба, стопорная
81 ₽
22
08322-0106A
Шайба
81 ₽
23
69750-38B00
RACKET,RESERVOIR TANK
401 ₽
24
01500-0816B
Болт
85 ₽
25
08321-01087
Пластина замка
81 ₽
26
08322-01087
Шайба
81 ₽
27
69795-38B10
Крышка резервуара
5 591 ₽
27
69795-38B00
Cover, tank
Цена по
запросу
28
69790-38B00
racket, cover
Цена по
запросу
29
09128-06044
SCREW(6X10)
129 ₽
30
01547-06107
BOLT
980 ₽
31
69480-38B03
Durite de frein
Цена по
запросу
32
09360-10061
Болт соединяющий
3 910 ₽
33
09360-10028
Vis (10x1.00x24)
Цена по
запросу
34
09250-08012
Крышка
1 060 ₽
35
09161-10009
Шайба
113 ₽
36
69244-38B00
Струбцина шланга
344 ₽

Узлы для