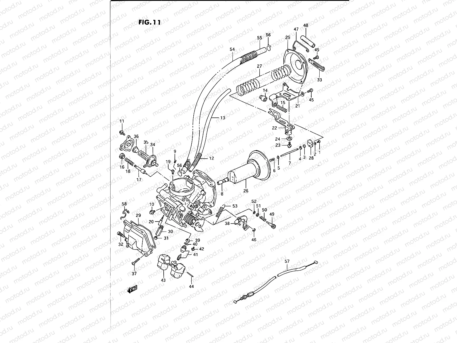
11 - CARBURETOR (FRONT)(MODEL H/J/K/L/M/N/P/R)

11 - CARBURETOR (FRONT)(MODEL H/J/K/L/M/N/P/R)
0
13210-38B70
Carburetor assy, front
Цена по
запросу
0
13210-38B21
Carburetor assy, front
Цена по
запросу
0
13210-38B90
CARBURETOR ASSY,FR
151 725 ₽
0
13210-38B60
Carburetor assy, front
Цена по
запросу
1
02112-0306B
Болт
940 ₽
2
09162-03001
Шайба блокирующая
900 ₽
3
13387-47010
RING
323 ₽
4
13394-40D20
E RING
282 ₽
5
13382-44030
Шайба
4 110 ₽
6
13388-44030
Пружина
1 143 ₽
7
13383-38A20
Жиклер
1 071 ₽
7
13383-38B90
Жиклер
1 286 ₽
8
09494-00570
Jet,needle
Цена по
запросу
9
09493-34002
Jet,oil gallery
Цена по
запросу
10
13605-38B00
Болт
969 ₽
11
02112-0410A
Болт
740 ₽
12
13689-38A00
Пружина
606 ₽
13
09352-50005-600
ШЛАНГ
436 ₽
14
13681-04011
CAP
835 ₽
15
13417-37100
Пружина
301 ₽
16
13418-05A10
Держатель
864 ₽
17
13411-05300
PLUNGER
2 635 ₽
18
13417-43010
Пружина
289 ₽
19
09492-55012
JET,ENRICHMENT(55)
1 189 ₽
20
09492-50018
Жиклер пропускной
1 189 ₽
21
13628-38B00
racket
Цена по
запросу
22
13422-38B00
PLATE
1 443 ₽
23
13602-05A30
Болт
238 ₽
24
13332-05A20
Шайба
231 ₽
25
13502-38A00
COVER,DIAPHRAGM
2 502 ₽
26
13503-38B00
Пружина
864 ₽
26
13500-38B20
DIAPHRAGM ASSY
18 455 ₽
26
13500-05A10
DIAPHRAGM,CARBURETOR
15 647 ₽
27
13503-05A10
Пружина
864 ₽
27
13503-38B00
Пружина
864 ₽
28
13389-37400
PLATE
368 ₽
29
13251-38A00
Уплотнитель поплавковой камеры
1 211 ₽
30
13385-05A11
HOLDER,MAIN JET
1 024 ₽
31
09491-25014
JET,MAIN(125)
1 003 ₽
32
13247-02340
Заглушка дренажная
258 ₽
33
09404-06039
Clamp(L:65)
194 ₽
34
13480-05A10
.diaphragm assy
Цена по
запросу
35
13481-38B90
Spring
Цена по
запросу
35
13481-38B40
Пружина
375 ₽
36
13482-37300
.plate
Цена по
запросу
37
13601-04148
Болт
172 ₽
38
13554-45C20
LEVER ASSY
2 796 ₽
39
13376-19F00
Фильтр-сеточка
581 ₽
40
13374-35C00
КОЛЬЦО УПЛОТНИТЕЛЬНОЕ
275 ₽
41
13370-38B00
Клапан
9 044 ₽
42
13602-05A10
Болт
238 ₽
43
13250-38B00
Поплавок
4 199 ₽
44
13254-20010
Поплавок
178 ₽
45
02112-0512A
Болт
85 ₽
46
13415-38300
E RING
106 ₽
47
13671-38A00
CLIP
759 ₽
48
09352-60104-600
Hose(6X10X600)
1 292 ₽
49
13279-47070
Винт топливный
884 ₽
50
13268-47070
Пружина
272 ₽
51
13291-29900
Шайба
162 ₽
52
13295-29901
O-Ring, Pilot Air Screw
210 ₽
53
13573-38B30
.spring
Цена по
запросу
54
13684-38B00
HOSE
2 805 ₽
55
09354-65113-600
Cső (6.5x11.5x600)
Цена по
запросу
56
09401-11403
CLIP
146 ₽
57
13641-38B03
CABLE,IDLE SYNCRO
2 907 ₽
58
13692-24A00
Clamp
Цена по
запросу

Узлы для