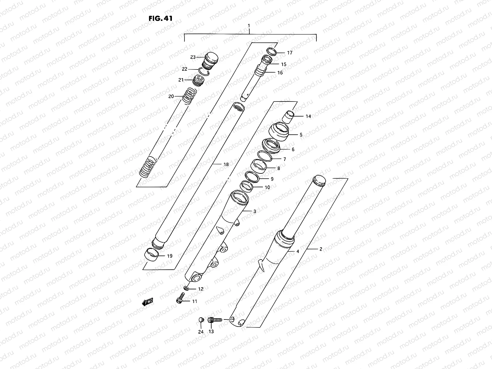
ПЕРЕДНЯЯ ВИЛКА для VS1400GLF H Intruder (E02,E04,E15,E16,E17,E18,E21,E22,E25,E34,E39) SUZUKI

41 - FRONT FORK
1
51103-38B00
Damper assy,rh
Цена по
запросу
2
51104-38B00
Damper assy,lh
Цена по
запросу
3
51131-38B00
TUBE,OUTER,R
46 376 ₽
4
51141-38B00
TUBE,OUTER,L
46 376 ₽
5
51572-38B00
COVER,CASE
2 913 ₽
6
51173-15D00
UST SEAL
1 340 ₽
7
51556-38B00
Кольцо
243 ₽
8
51153-08D00
Сальник
1 195 ₽
9
51168-38B00
SPACER,SEAL
459 ₽
10
51152-48B31
Направляющая втулка
2 380 ₽
11
51147-48130
BOLT(8X27)
221 ₽
12
51148-36011
GASKET
210 ₽
13
07130-08407
Болт крепёжный
153 ₽
14
51195-38B00
PIECE,OIL LOCK
2 014 ₽
15
51146-38B00
Cilinder
Цена по
запросу
16
51177-32B00
Пружина
669 ₽
17
51196-32B00
Кольцо поршневое
559 ₽
18
51110-38B00
TUBE,INNER
41 446 ₽
19
51121-03D00
Скользящая втулка
1 479 ₽
20
51171-38B00
Пружина
7 898 ₽
21
51353-38B00
OLT,FORK INNER
2 014 ₽
22
51117-38B00
O RING
238 ₽
23
51351-38B00
Болт
5 865 ₽
24
09250-06009
Крышка
194 ₽

Узлы для