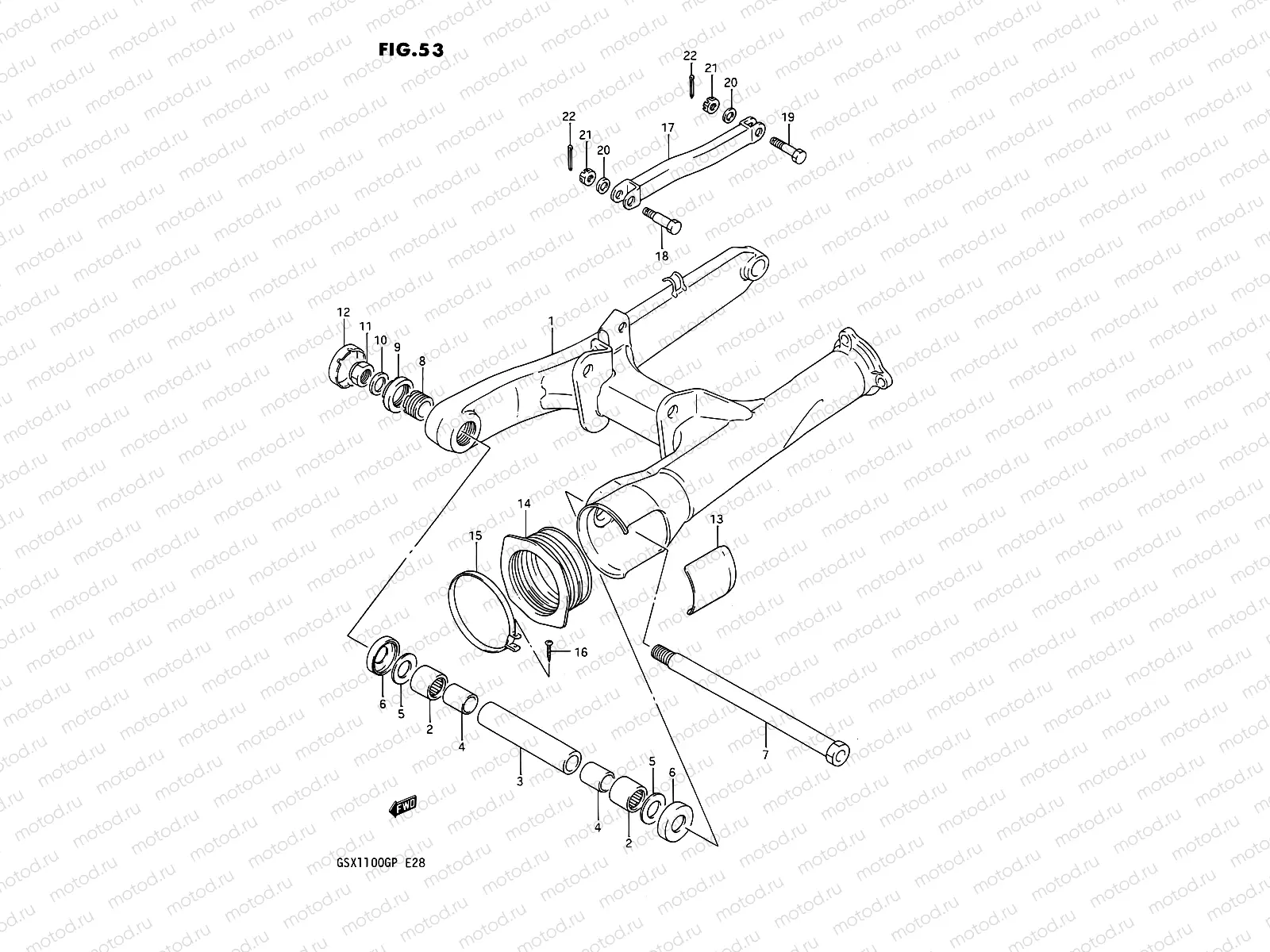
53 - REAR SWINGING ARM

53 - REAR SWINGING ARM
1
61100-26D01-019
Swg arm,rear
Цена по
запросу
2
09263-25024
BEARING(25X33X30)
4 165 ₽
3
09180-20111
Spacer, pivot center
Цена по
запросу
4
61251-17C00
SPACER,RR SWGARM PIVOT BERRING
5 049 ₽
5
08211-20381
Шайба упорная
179 ₽
6
61262-10D01
Couvrir
Цена по
запросу
7
61211-26D00
Shaft, pivot
Цена по
запросу
8
61213-22D00
Bolt,rear swgar
Цена по
запросу
9
61214-40C31
NUT,RR SWGARM PIVOT BOLT
2 972 ₽
10
09160-18030
Шайба
115 ₽
11
09159-18004
Гайка
1 638 ₽
13
61230-26D01-019
Cover, pivot lh (black)
Цена по
запросу
14
61372-38B01
oot,propeller Shaft
1 846 ₽
15
09402-92306-XC0
LAMP
258 ₽
16
03211-0425B
Болт
82 ₽
17
64310-26D00
Link,rr torque
Цена по
запросу
18
09111-10016
Bolt ,l:41
Цена по
запросу
19
09101-10036
Болт
2 850 ₽
20
09160-10005
WASHER(10.5X20X3.2)
980 ₽
21
08314-4010B
ШАЙБА
114 ₽
22
04111-2020A
Штифт
81 ₽

Узлы для