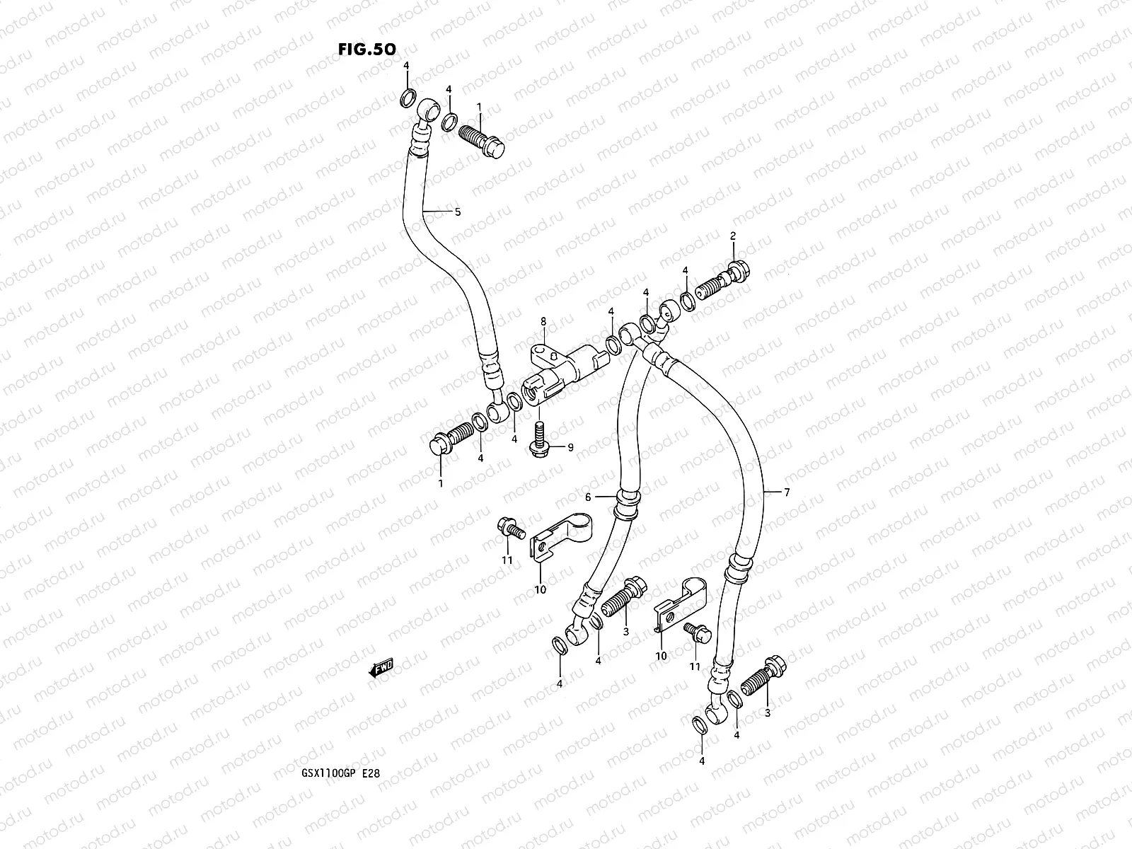
50 - FRONT BRAKE HOSE

50 - FRONT BRAKE HOSE
1
09360-10061
Болт соединяющий
3 910 ₽
2
09360-10018
Болт соединяющий
4 570 ₽
3
09360-10062
Болт соединяющий
469 ₽
4
09161-10009
Шайба
113 ₽
5
59480-26D10
Hose, front brake,no.1
Цена по
запросу
6
59240-26D00
Hose, front brake,no.2 rh
Цена по
запросу
7
59440-26D00
Hose, front brake,no.2 lh
Цена по
запросу
8
59491-12C10
Joint, brake hose
Цена по
запросу
9
01550-0616B
БОЛТ
81 ₽
10
59268-01D1V
CLAMP,FR BRAKE NO.2
606 ₽
11
01550-0612B
БОЛТ
81 ₽

Узлы для