28 - ELECTRICAL

28 - ELECTRICAL
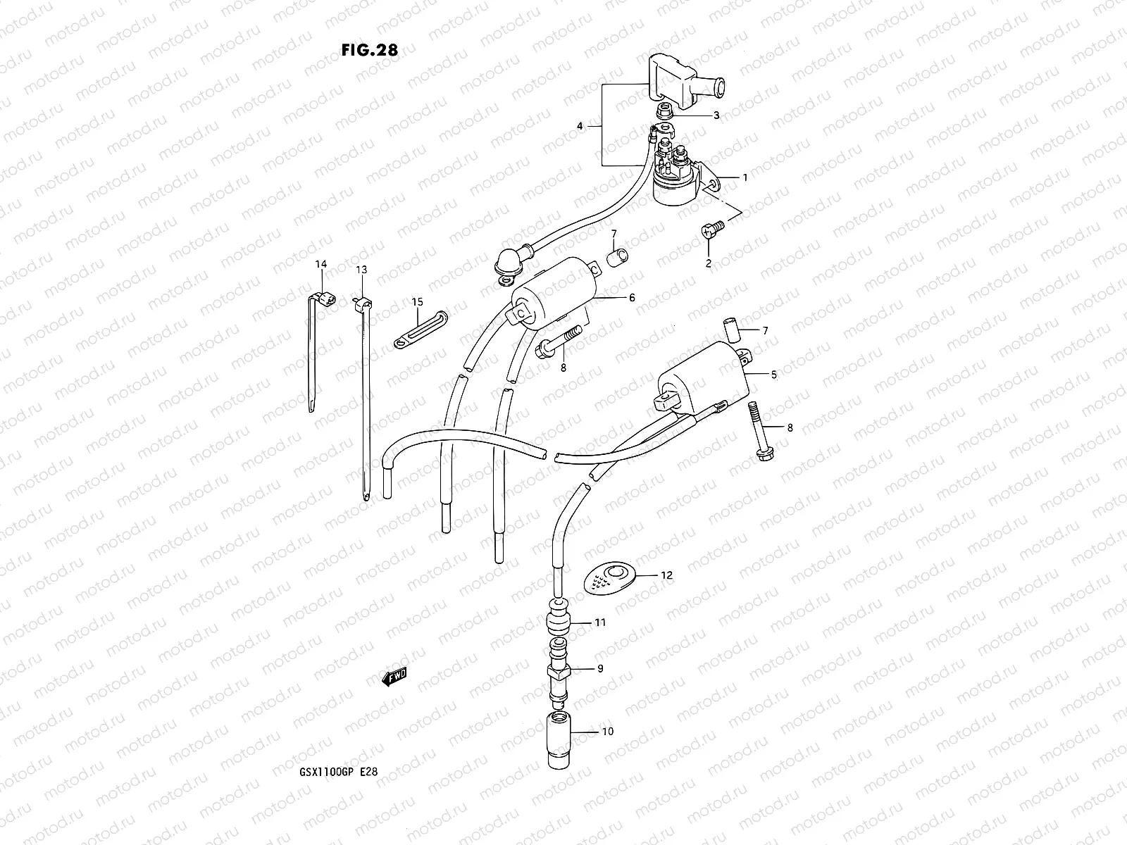
1
31800-49100
Реле стартера
8 245 ₽
2
09128-06013
SCREW(6X8)
740 ₽
3
08361-3506A
ГАЙКА
82 ₽
4
33810-41C00
Wire,starter mo
Цена по
запросу
5
33410-26D00
Coil,ignit. 1-4
Цена по
запросу
6
33420-26D00
Coil, ignition 2-3
Цена по
запросу
7
09180-06198
SPACER(6.2X12X16)
2 150 ₽
8
01550-0645A
Болт
102 ₽
9
33510-20C02
Свечной колпачок
8 976 ₽
10
33541-20C00
Заглушка
3 927 ₽
11
33542-38B00
Уплотнение
162 ₽
12
33543-48B00
COVER,SPARK PLUG CAP
2 665 ₽
13
09407-22404
CLAMP
248 ₽
14
09407-14403
КЛЕММА
221 ₽
15
09404-06435
CLAMP(L:135)
226 ₽

Узлы для