WINCH - R17RVM99AM/BM (701160) | WINCH - R17RVM99AM/BM (701160)

WINCH - R17RVM99AM/BM (701160) | WINCH - R17RVM99AM/BM (701160)
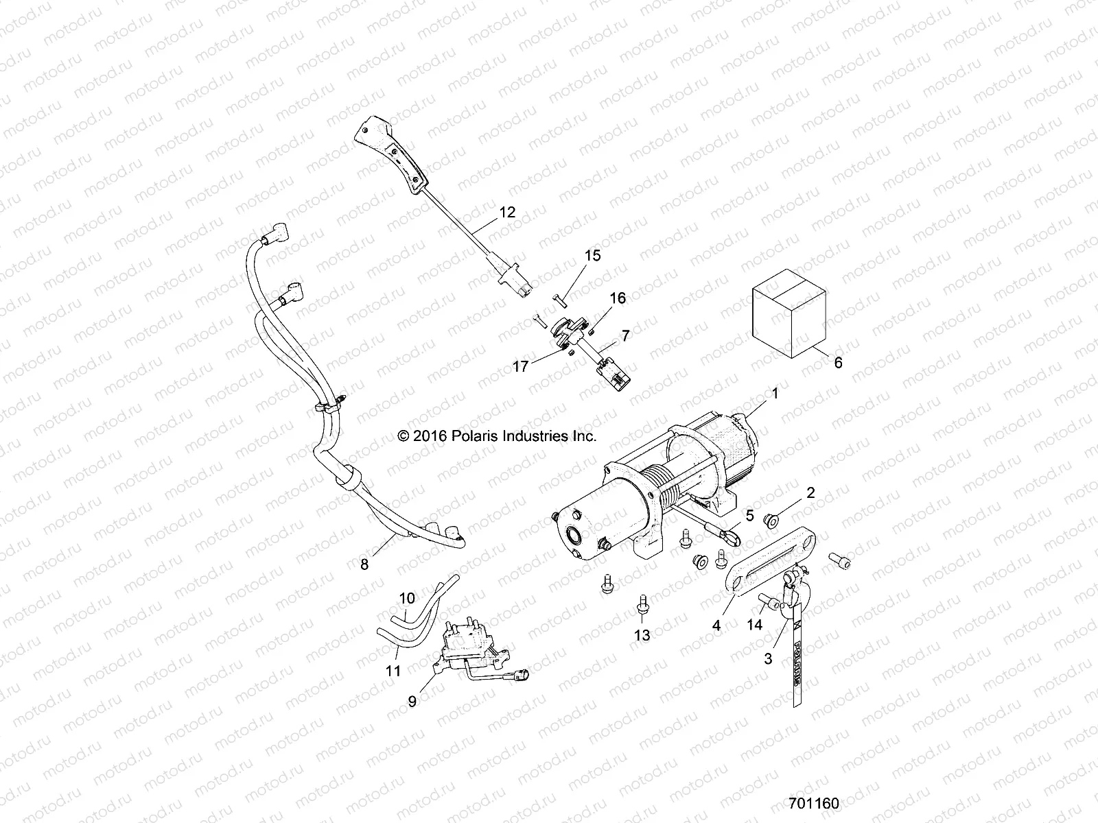
1
2204855
WINCH-POLARIS 4.5 BTM SPL
Цена по
запросу
2
7547423
NUT-M10X1.5 HFN NYLOC ZOD
Цена по
запросу
3
2411836
HD HOOK & LATCH
Цена по
запросу
4
5139707
FAIRLEAD HAWSE MACH HC
Цена по
запросу
5
2879187
KIT-SYNTH WINCH ROPE 50 FT
Цена по
запросу
6
2879172
K-HDWR WINCH 45 TTN
Цена по
запросу
7
4015090
SOCKET-WINCH REMOTE HC
Цена по
запросу
8
4015044
CABLE-CONTACTOR TO WINCH
Цена по
запросу
9
4015095
CONTACTOR-WINCH POL LIF CAP
Цена по
запросу
10
4013470-350
CABLE-POWER WINCH BLK 6 GA 350
Цена по
запросу
11
4013471-350
CABLE-POWER WINCH RED 6 GA 350
Цена по
запросу
12
4013466
REMOTE-SWITCH WINCH
Цена по
запросу
13
7519133
SCR-HXFL-M8X1.25X20 8.8 ZOD P3
Цена по
запросу
14
7517358
Vis
Цена по
запросу
15
7516607
Vis
Цена по
запросу
16
7546601
NUT NYLOK
Цена по
запросу
17
7558201
WASHER FLAT
Цена по
запросу

Узлы для