BODY | BODY, HVAC DUCTING - R17RVU99AV/BV (701276)

BODY | BODY, HVAC DUCTING - R17RVU99AV/BV (701276)
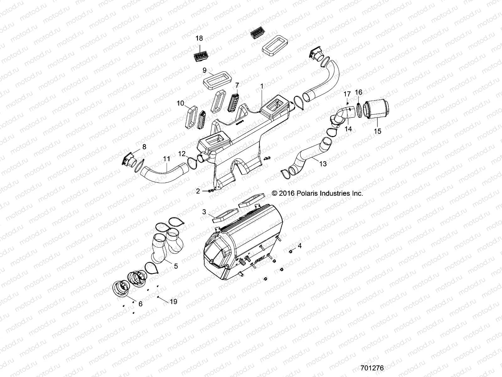
1
3120149
DISTRIBUTOR-HVAC
Цена по
запросу
1
3121059
DISTRIBUTOR-HVAC
Цена по
запросу
2
7661855
RIVET-TUFLOK .315-.325X.787 (5
Цена по
запросу
3
3120155
SEAL-HVAC
Цена по
запросу
4
7547332
NUT-M8X1.25 FLG NYLOC-OLIVE D
Цена по
запросу
5
3120154
DUCT-FOOT RH
Цена по
запросу
6
3120150
VENT-ROUND
Цена по
запросу
7
3120156
VENT-RECT
Цена по
запросу
8
3120157
VENT-SQ
Цена по
запросу
9
3120158
SEAL-DEFROST
Цена по
запросу
10
3120159
SEAL-DASH CENTER
Цена по
запросу
11
3120151
DUCT-LEFT UPPER
Цена по
запросу
12
7080761
CABLE TIE 14
Цена по
запросу
13
5453419
HOSE-FRESH-AIR
Цена по
запросу
14
5453415
SUPPORT-FILTER
Цена по
запросу
15
1262218
ASM-FILTER AIR BOX
Цена по
запросу
18
LR--
CALIPER, BRAKE, RH
Цена по
запросу
19
7519766
SCR-FLHD-#6-20X.50 ZP
Цена по
запросу

Узлы для