Водяной насос для YP250 MAJESTY 250 (4HC2) 1996 YAMAHA Majesty 250 YP 250

Water pump
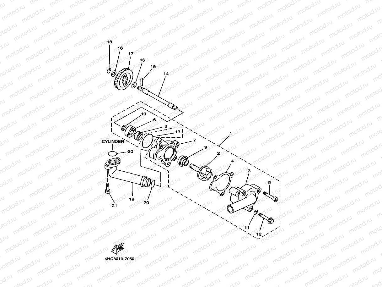
1
4HC-12420-00
Помпа водная
26 668 ₽
2
4HC-12450-00
IMPELLER SHAFT ASSY
Цена по
запросу
3
4HC-12422-01
Крышка помпы охлаждения
7 729 ₽
4
4HC-12428-10
Прокладка крышки помпы
795 ₽
5
Цена по
запросу
6
93306-00004
Подшипник
1 574 ₽
7
4HC-12421-00
Корпус помпы
10 353 ₽
8
93101-10090
Сальник
445 ₽
9
11H-12438-10
Уплотнение механическое
3 990 ₽
10
99009-10400
Кольцо стопорное
159 ₽
11
90430-06014
Прокладка
120 ₽
13
93210-33133
Кольцо уплотнительное
175 ₽
14
4HC-12426-00
SHAFT
Цена по
запросу
15
93603-22028
Штифт
175 ₽
16
90201-08512
Шайба
191 ₽
17
4HC-12459-00
Gear, Impeller Shaft
2 321 ₽
18
99080-07600
Кольцо стопорное
191 ₽
19
4HC-12446-00
Патрубок
2 352 ₽
20
93210-16275
Кольцо уплотнительное
175 ₽
21
91317-06016
Болт
95 ₽

Узлы для