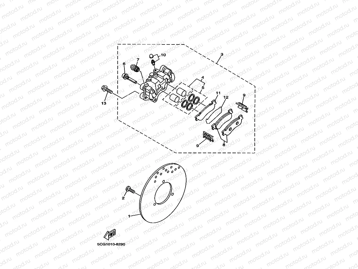
Rear brake Kikiya La (5CG1, 2, 3, 4)

Rear brake Kikiya La (5CG1, 2, 3, 4)

Узлы для