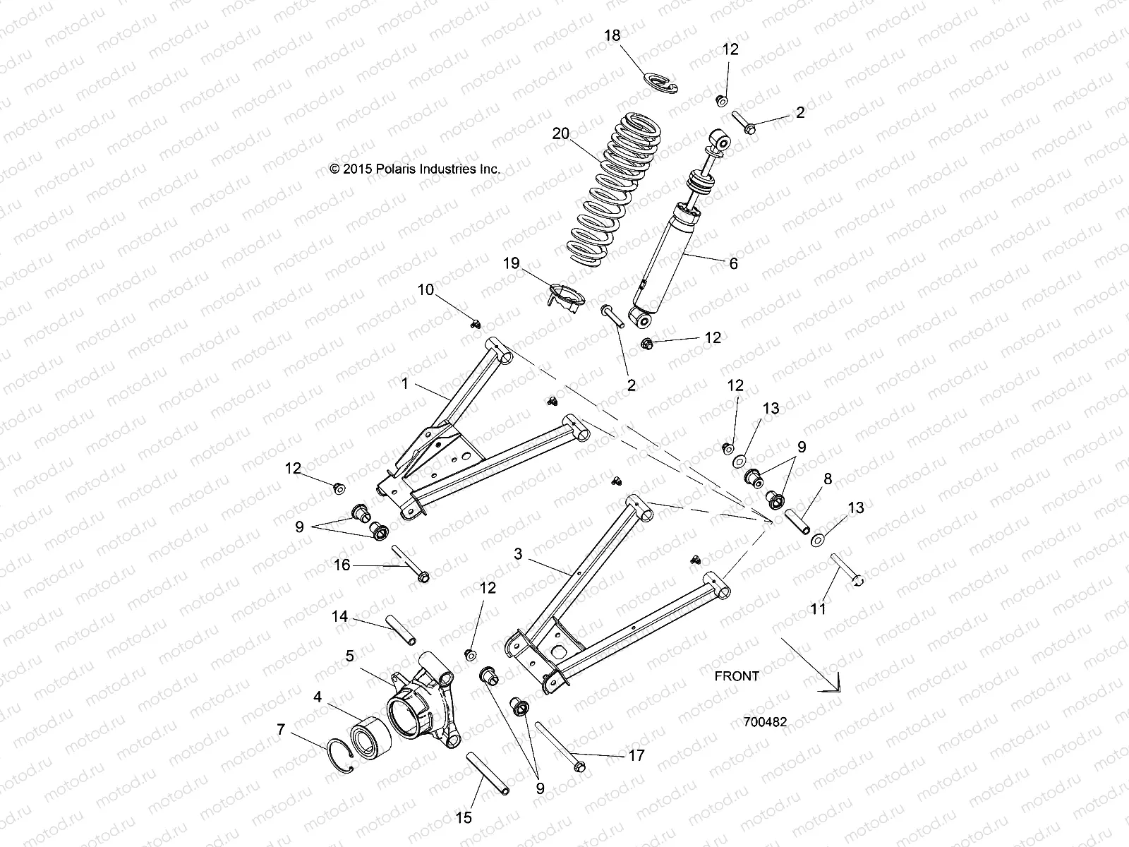
SUSPENSION | SUSPENSION, REAR - R16RCA57A1/A4/B1/B4 (700482)

SUSPENSION | SUSPENSION, REAR - R16RCA57A1/A4/B1/B4 (700482)
1
1020797-458
WELD-CONTROL ARM UPPER LH M.BK
Цена по
запросу
1
1018992-458
WELD-CONTROL ARM UPPER RH M.BK
Цена по
запросу
2
7518563
BOLT-M10X1.25X60 HXFLG-OLIVE D
Цена по
запросу
3
1018995-458
WELD-CONTROLARM LWR M.BLK
Цена по
запросу
4
3514635
BEARING-WHEEL 40X74X40MM
Цена по
запросу
5
5138502
CARRIER-BEARING WHEEL RH
Цена по
запросу
5
5138501
CARRIER-BEARING WHEEL LH
Цена по
запросу
6
7044139
SHOCK-REAR
Цена по
запросу
7
7710440
RING RETAINING
Цена по
запросу
8
5138797
SHAFT-PIVOT 70.99MM 15.88OD
Цена по
запросу
9
5439874
BUSHING-STANDARD ORV
Цена по
запросу
10
7080510
FITTING ZERK 90 DEGREE
Цена по
запросу
11
7519043
SCR-HXFL-M10X1.25X95 10.9 ZOD(
Цена по
запросу
12
7547333
NUT-M10X1.25 FLG NYLOC-OLIVE D
Цена по
запросу
13
7556153
WASHER 3/8 FW
Цена по
запросу
14
5138794
SHAFT-PIVOT 89.71MM 15.88OD
Цена по
запросу
15
5138796
SHAFT-PIVOT 139.1MM 15.88OD
Цена по
запросу
16
7518566
BOLT-M10X1.25X115 HXFLG-OLIVED
Цена по
запросу
17
7519042
SCR-HXFL-M10X1.25X165 10.9 ZOD
Цена по
запросу
18
5251753
RETAINER-SPRING STEEL
Цена по
запросу
19
5253768
CAM-ADJUSTING SPRING STEEL
Цена по
запросу
20
7045558-458
SPRING-REAR MATTE BLK
Цена по
запросу
20
7045563-458
SPR-215-375# 11.75FL MATTE BLK
Цена по
запросу

Узлы для