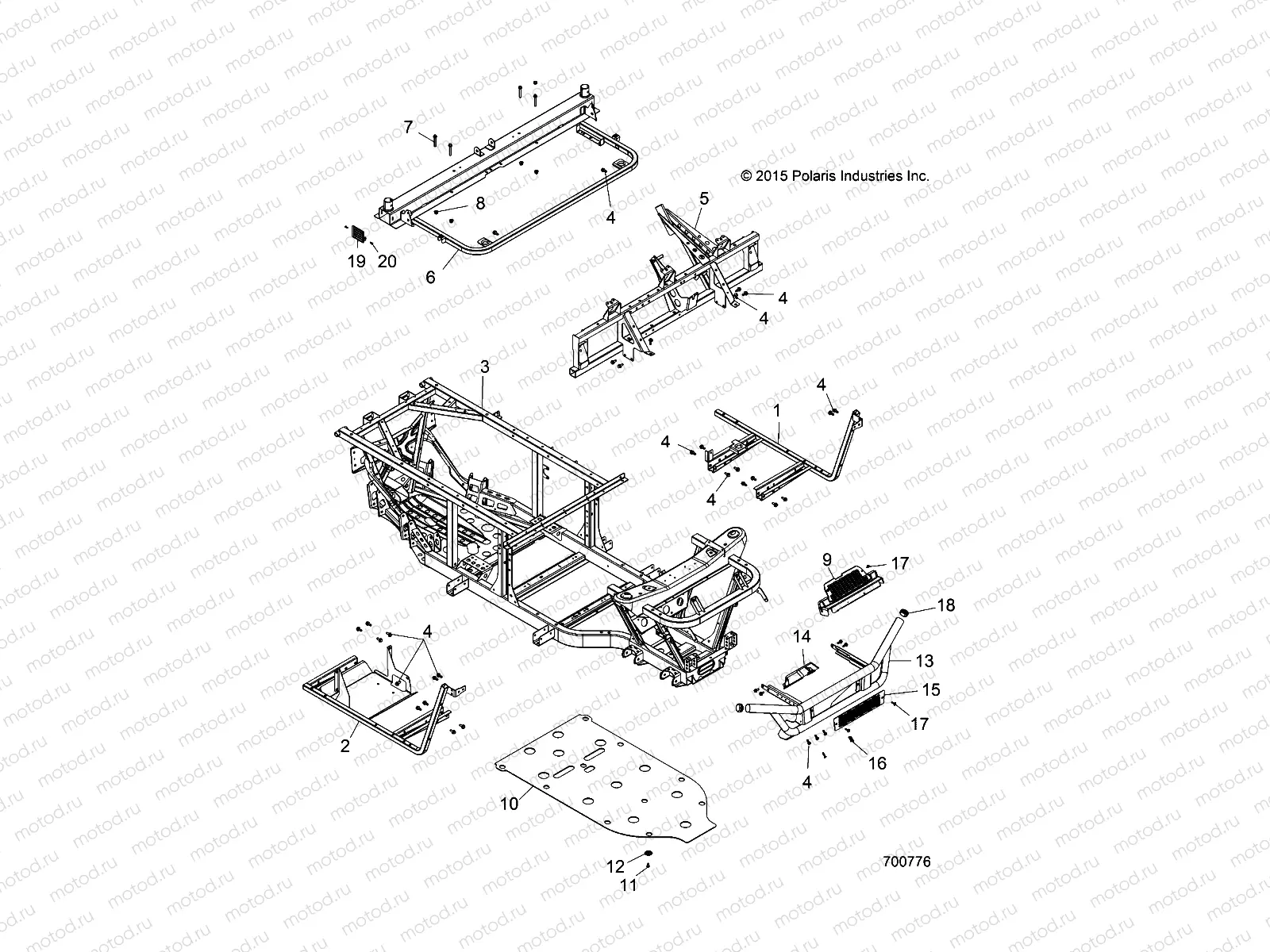
CHASSIS | CHASSIS, FRAME and FRONT BUMPER - R16RCA57A1/A4/B1/B4 (700776)

CHASSIS | CHASSIS, FRAME and FRONT BUMPER - R16RCA57A1/A4/B1/B4 (700776)
1
1016254-329
WELD-FLOOR SUPPORT LH BLK
Цена по
запросу
2
1016255-329
WELD-FLOOR SUPPORT RH BLK
Цена по
запросу
3
1021651-458
WELD-MAIN FRAME 3P FS M BLK
Цена по
запросу
4
7518555
BOLT-M8X1.25X20 HXFLG TAP/R-OD
Цена по
запросу
5
1021653-329
WELD-CAB SUPPORT 3P FS
Цена по
запросу
6
1022210-458
WELD-SEAT BASE 570 FS M.BLK
Цена по
запросу
7
7517281
Vis
Цена по
запросу
8
7547332
NUT-M8X1.25 FLG NYLOC-OLIVE D
Цена по
запросу
9
5452484-070
SCREEN-FASCIA UPPER 3P FS BLK
Цена по
запросу
10
5450136
PLATE-SKID
Цена по
запросу
11
7517386
Vis
Цена по
запросу
12
7556065
WASHER SKID PLATE
Цена по
запросу
13
1020136-458
WELD-BUMPER MATTE BLK
Цена по
запросу
14
5438181-070
BRKT-BUMPER GUARD BLK
Цена по
запросу
15
5438240-070
SCREEN-BUMPER UPPER BLK
Цена по
запросу
16
7518158
SCR-#14X1 HI/LO-PH-PN TRX-M
Цена по
запросу
17
7519650
SCR-TXTH-M6X1.0X25 RIE
Цена по
запросу
18
5434191
CAP-BUMPER
Цена по
запросу
19
5451017
PANEL-INTAKE
Цена по
запросу
20
7519091
SCR-#10X1/2-HI/LO-PN-T25 TRX-M
Цена по
запросу

Узлы для