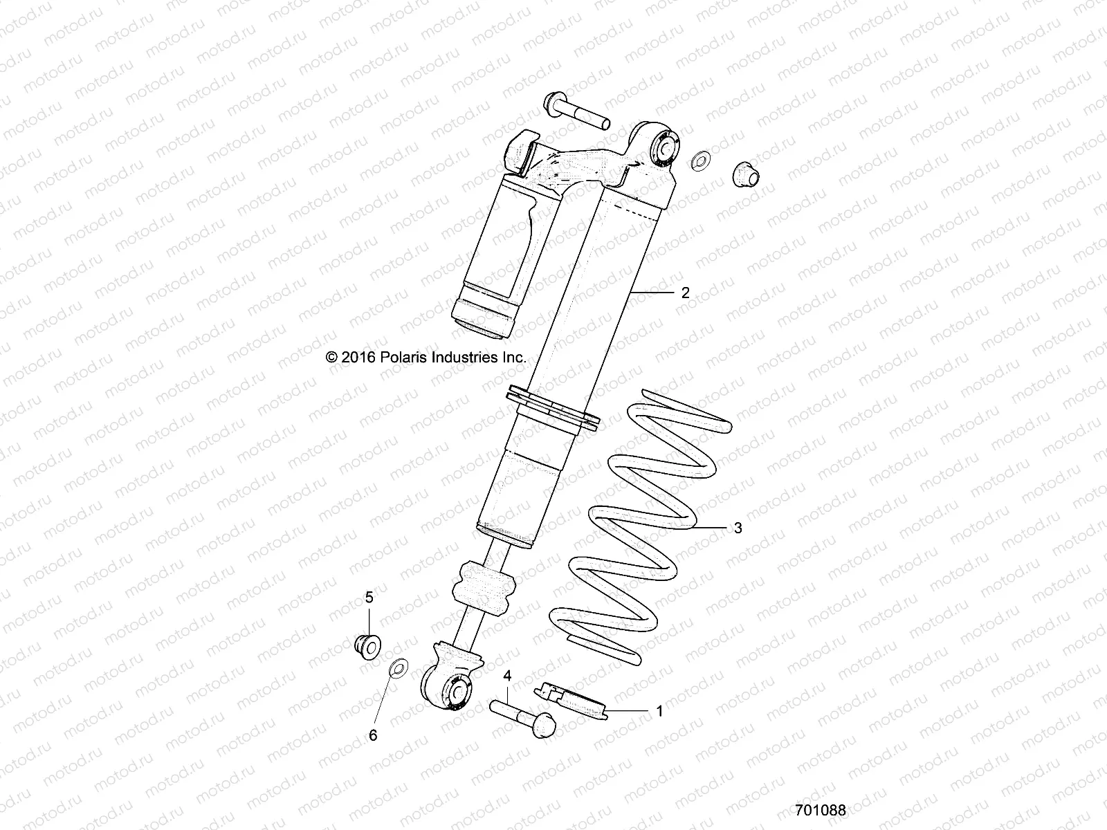
SUSPENSION | SUSPENSION, FRONT SHOCK MOUNTING - R19RHE99ND (701088)

SUSPENSION | SUSPENSION, FRONT SHOCK MOUNTING - R19RHE99ND (701088)
1
1501329
RETAINER-SPRING
Цена по
запросу
2
7045834
SHOCK-FRONT PIGGYBK LH
Цена по
запросу
2
7044688
SHOCK-FRONT PIGGYBK RH
Цена по
запросу
3
7044691-133
SPR-190-250#12FL 2.3-2.3ID B.W
Цена по
запросу
4
7519306
SCR-HXFL-M10X1.25X60 10.9 ZOD
Цена по
запросу
5
7547333
NUT-M10X1.25 FLG NYLOC-OLIVE D
Цена по
запросу
6
7556153
WASHER 3/8 FW
Цена по
запросу

Узлы для