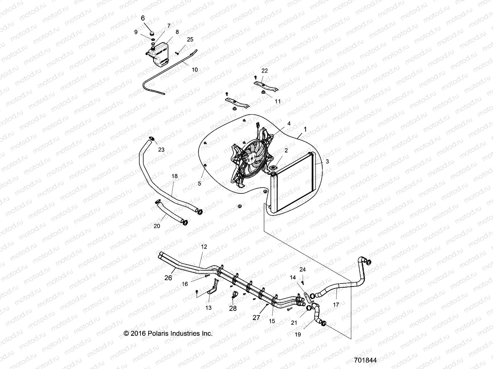
ENGINE | ENGINE, COOLING SYSTEM - R19RHE99ND (701844)

ENGINE | ENGINE, COOLING SYSTEM - R19RHE99ND (701844)
1
1241135
ASM-RADIATOR CORE
Цена по
запросу
2
1240694
CAP
Цена по
запросу
3
1241135
ASM-RADIATOR CORE
Цена по
запросу
4
2413044
ASM-FAN
Цена по
запросу
5
7518591
SCR-HXFLGHD M6X16 0600086
Цена по
запросу
6
5430743
CAP OVERFLOW
Цена по
запросу
7
5433774
CAP PLUG9X(GRN) FLEX TEMP
Цена по
запросу
8
5439202
TANK-SURGE
Цена по
запросу
9
5810279
GASKET
Цена по
запросу
10
8450003-1525
LINE FUEL 1/4 ID(1525 CM.)
Цена по
запросу
11
7052028
Damper
Цена по
запросу
12
5141613
TUBE-COOLANT 1
Цена по
запросу
13
5259433-329
BRKT-COOLANT TUBE BLK
Цена по
запросу
14
5260766-329
BRKT-COOLANT TUBE BLK
Цена по
запросу
15
5451221
BRACKET-COOLANT TUBE
Цена по
запросу
16
7519001
SCR-M6X1X40 TR/TX-M
Цена по
запросу
17
5414528
HOSE-UPPER RADIATOR
Цена по
запросу
18
5415451
HOSE-ENGINE OUTLET
Цена по
запросу
19
5414532
HOSE-LWR RAD LONG
Цена по
запросу
20
5415452
HOSE-ENGINE INLET
Цена по
запросу
21
7080844
CLAMP SPRINGBAND 35/12 BLK
Цена по
запросу
22
5263390-329
BRKT-UPR RAD MNT BLK
Цена по
запросу
23
7081192
CLAMP-HOSE(WORM DR)25-40MM
Цена по
запросу
24
7518529
SCR-M6X1.0X20 HXHD FLG TDFM BL
Цена по
запросу
25
7518158
SCR-#14X1 HI/LO-PH-PN TRX-M
Цена по
запросу
26
5141614
TUBE-COOLANT 1
Цена по
запросу
27
7512026
Vis
Цена по
запросу
28
7082306
CLIP-P 1IN
Цена по
запросу

Узлы для