STEERING | STEERING, POST and HANDLEBAR - A10GJ45AA (49ATVHANDLEBAR09OUT450)

STEERING | STEERING, POST and HANDLEBAR - A10GJ45AA (49ATVHANDLEBAR09OUT450)
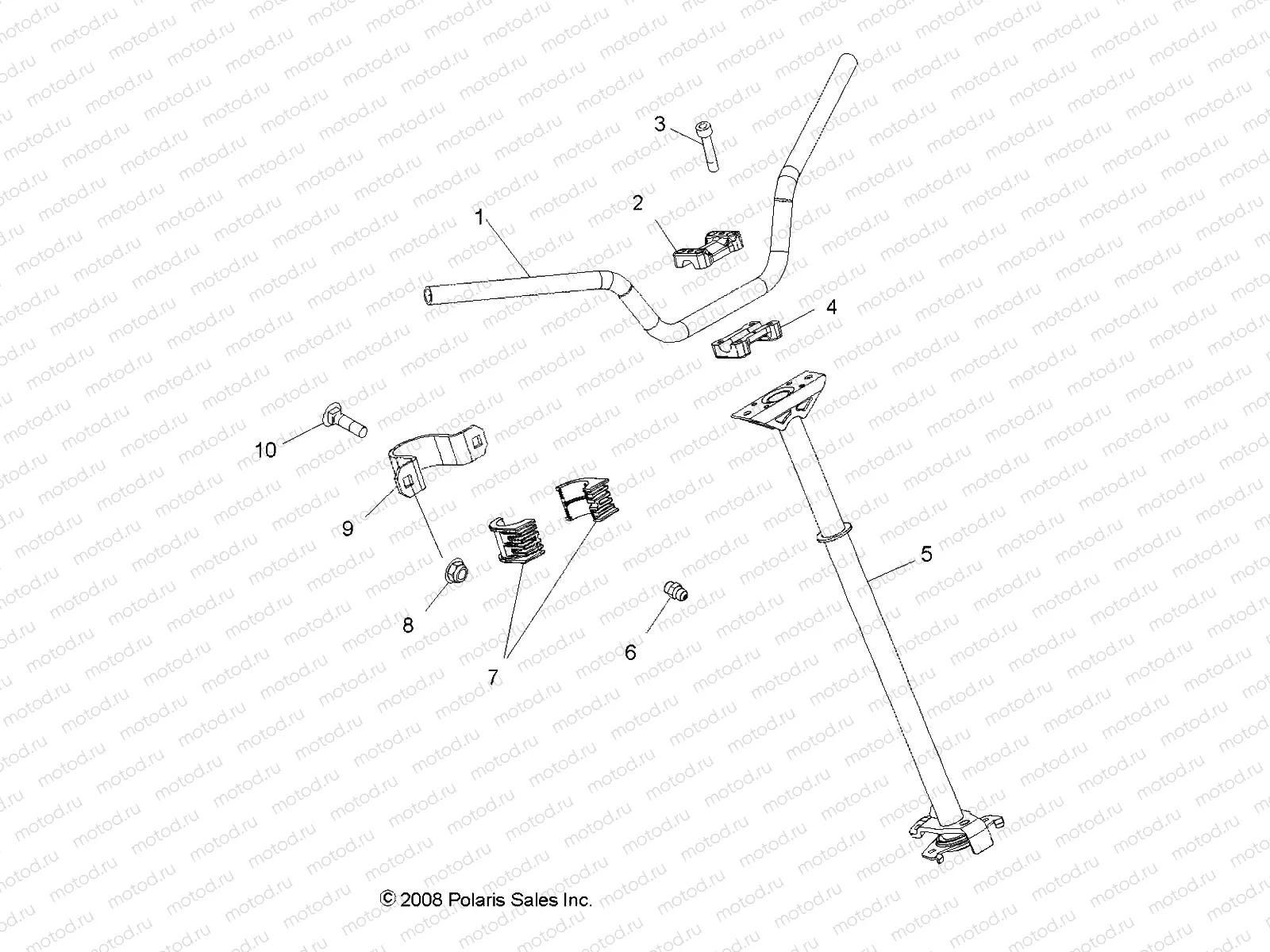
1
5246156-458
TUBE-HANDLE BAR ATV MATTE BLK
Цена по
запросу
2
5631729
BLOCK-HANDLEBAR MOUNT
Цена по
запросу
3
7518640
SCR-1/4-20X1.75 SHCS-B
Цена по
запросу
4
5631892
BLOCK-HANDLEBAR
Цена по
запросу
5
1823483
ASM-STEERING POST
Цена по
запросу
6
7080433
FITTING LUBRICATION THREADED(1
Цена по
запросу
7
5438904
BUSHING-UPPER STEERING
Цена по
запросу
8
7547332
NUT-M8X1.25 FLG NYLOC-OLIVE D
Цена по
запросу
9
5262582
BRKT-BUSHING STRAP
Цена по
запросу
10
7518564
BOLT-M8X1.25X20 CARR-OLIVE D
Цена по
запросу

Узлы для