CHASSIS | CHASSIS, FRAME - A10GJ45AA (49ATVFRAME09OUT450)

CHASSIS | CHASSIS, FRAME - A10GJ45AA (49ATVFRAME09OUT450)
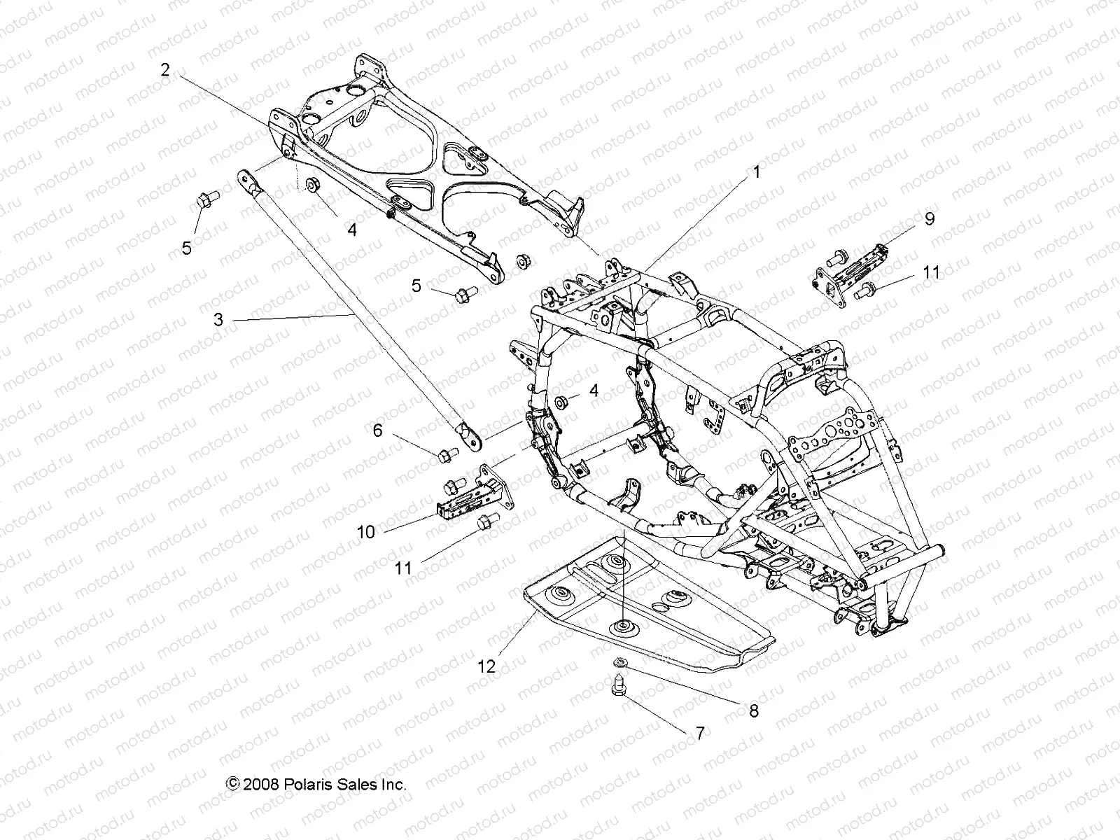
1
1016381-458
WELD-MAIN FRAME MATTE BLK
Цена по
запросу
2
5136136
SUBFRAME MACH
Цена по
запросу
3
5335334-458
SUPPORT-SUBFRAME LH MATTE BLK
Цена по
запросу
4
7547332
NUT-M8X1.25 FLG NYLOC-OLIVE D
Цена по
запросу
5
7518391
SCR-HXFLGHD M8X30 0600086
Цена по
запросу
6
7518514
BOLT-M8X1.25X25 HXFLG-OLIVE D
Цена по
запросу
7
7518529
SCR-M6X1.0X20 HXHD FLG TDFM BL
Цена по
запросу
8
7555859
WASHER FLAT
Цена по
запросу
9
1015489-458
WELD-FOOTPEG LH MATTE BLK
Цена по
запросу
10
1015490-458
WELD-FOOTPEG RH MATTE BLK
Цена по
запросу
11
7518760
BOLT-M10X1.25X25 HXFLG W/PATCH
Цена по
запросу
12
5437100
GUARD-ROCK FRONT
Цена по
запросу

Узлы для