ЗАДНЯЯ ПОДВЕСКА для YZ250F (17DE) 2011 YAMAHA YZ-F 250 (VIN: JYACG33C)

REAR SUSPENSION
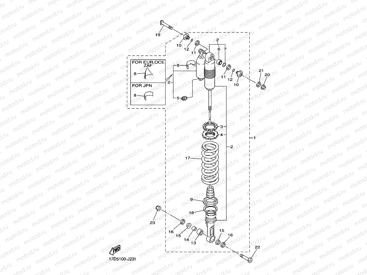
1
17D-22200-10
Amortisseur arrière
Цена по
запросу
1
17D-22200-50
Amortisseur arrière
Цена по
запросу
2
17D-22201-10
AMPER SUB ASSY
Цена по
запросу
3
3SP-22234-00
Гайка
3 195 ₽
4
1C3-22213-L0
Тарелка пружины
3 433 ₽
5
509-23184-L0
Колпачок
2 098 ₽
6
4JX-22226-00
Втулка амортизатора
4 501 ₽
7
5DH-23183-00
Стопор
223 ₽
8
4AA-22259-40
Наклейка предупредительная (EUR, RUS)
652 ₽
9
5MV-22224-00
Основание пружины
572 ₽
10
1C3-22253-50
Втулка
3 974 ₽
11
3JE-22475-00
Пыльник
683 ₽
12
4EW-22474-00
Уплотнение (кольцо)
223 ₽
13
5UN-22176-00
Подшипник
1 939 ₽
14
5MV-22184-00
Втулка
1 478 ₽
15
1C3-22253-L1
Втулка
3 974 ₽
16
5NY-22475-00
Пыльник
683 ₽
17
5UN-22212-L0
Пружина (K=52N/MM)
16 918 ₽
17
5UN-22212-K0
Пружина (K=52N/MM)
16 918 ₽
18
17D-22214-00
Кольцо
3 036 ₽
19
5XE-22242-01
Болт 2
509 ₽
20
95602-10200
Гайка
159 ₽
21
92990-10200
Шайба
95 ₽
22
5NY-22241-00
Болт
334 ₽
23
90185-10012
Гайка самоконтрящаяся
270 ₽

Узлы для