ПЕРЕДНЕЕ КОЛЕСО для YZ250F (17DE) 2011 YAMAHA YZ-F 250 (VIN: JYACG33C)

FRONT WHEEL
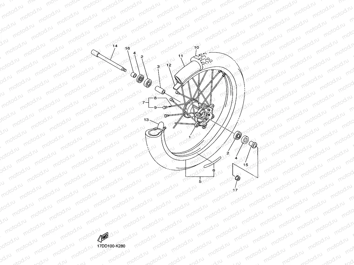
1
5NY-25111-00
Ступица колеса
18 780 ₽
2
93306-90409
Подшипник
1 431 ₽
3
5NY-25117-00
Трубка подшипников
2 082 ₽
4
93102-26468
Сальник
572 ₽
5
94416-21045
Обод колеса (1.60-21)
30 576 ₽
6
17D-2531B-00
Эмблема
1 065 ₽
7
5NY-25104-00
Комплект спиц, переднего колеса
11 874 ₽
10
*
Цена по
запросу
11
*
Цена по
запросу
12
*
Цена по
запросу
13
5SF-25394-00
Подложка
3 688 ₽
14
5XC-25181-G0
Болт-ось колеса
4 408 ₽
15
5XC-25183-G0
Втулка
1 939 ₽
16
5XC-25186-G0
Втулка
1 335 ₽
17
90179-16011
Гайка
1 351 ₽

Узлы для