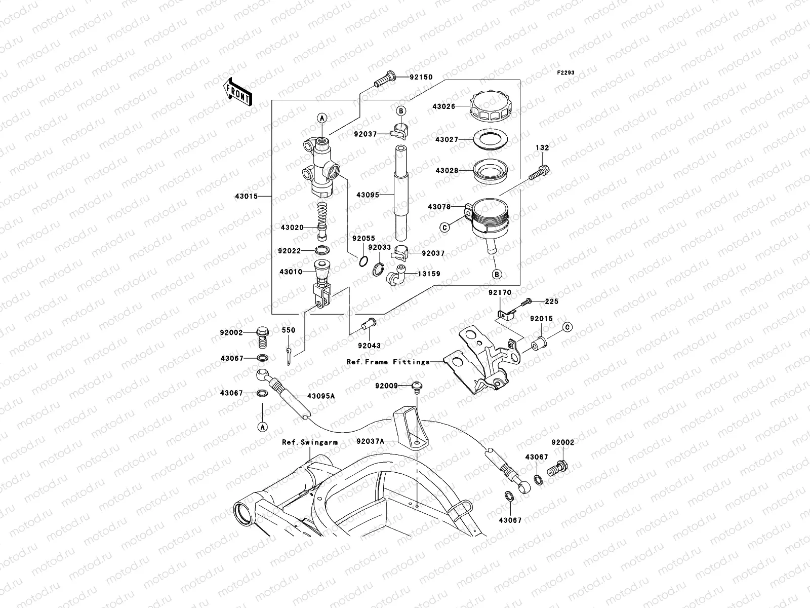
Rear Master Cylinder

Rear Master Cylinder
132
92150-1779
Vis
253 ₽
225
225AB-0412
pc - Vis
97 ₽
550
550AA-2015
PIN-COTTER,2.0X15
77 ₽
13159
13159-1052
CONNECTOR RR MASTER C
916 ₽
43010
43010-1062
ROD-ASSY-BRAKE
3 406 ₽
43015
43015-1610
Brake hydraulic pump
43020
43020-1094
PISTON-COMP, BRAKE
4 180 ₽
43026
43026-1051
Couvercle du réservoir de liquide de frein
2 265 ₽
43027
43027-1051
Entretoise
418 ₽
43028
43028-1057
DIAPHRAGM
1 285 ₽
43067
49091-0001
WASHER-SEAL,10.1X14.5X1.
119 ₽
43078
43078-1082
RESERVOIR, RR MASTER
1 751 ₽
43095
43095-1115
HOSE-BRAKE,RR MASTER
43095
43095-1272
HOSE-BRAKE,RR
92002
92153-0627
Vis (L=23)
268 ₽
92009
92009-1661
5 pc - Vis (6x10)
253 ₽
92015
92015-1700
Nut
506 ₽
92022
92033-0079
RING-SNAP,20.9X24.6X1.2
342 ₽
92033
92033-1186
RING-SNAP,20.5MM
289 ₽
92037
92037-1547
CLAMP
739 ₽
92037
92037-1896
Collier
1 382 ₽
92043
92043-0104
PIN,8X14.5
177 ₽
92055
92055-0741
O-Ring (MASTER CYLINDER)
524 ₽
92150
92153-1624
Vis (8x30)
177 ₽
92170
92170-1879
CLAMP,RESERVE TANK CA
289 ₽

Узлы для