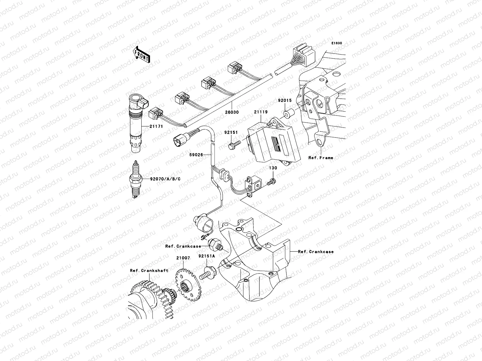
Ignition System

Ignition System
130
130BA-0512
pc - Vis
97 ₽
21007
21007-1359
ROTOR
21119
21119-1620
IGNITER
69 979 ₽
21171
21171-1265
Bobine d'allumage
16 618 ₽
26030
26030-1956
HARNESS,IGNITION COIL
11 008 ₽
59026
59026-1142
COIL-PULSING
8 849 ₽
92015
92015-1700
Nut
506 ₽
92070
CR9EK-
NGK
18 730 ₽
92070
CR8EK-
Bougie d'allumage
92070
-
No-Part
92151
92151-1226
Vis (6x20)
128 ₽
92151
92153-0549
Vis (8x23)
498 ₽

Узлы для