PILOTO TRASERO

PILOTO TRASERO
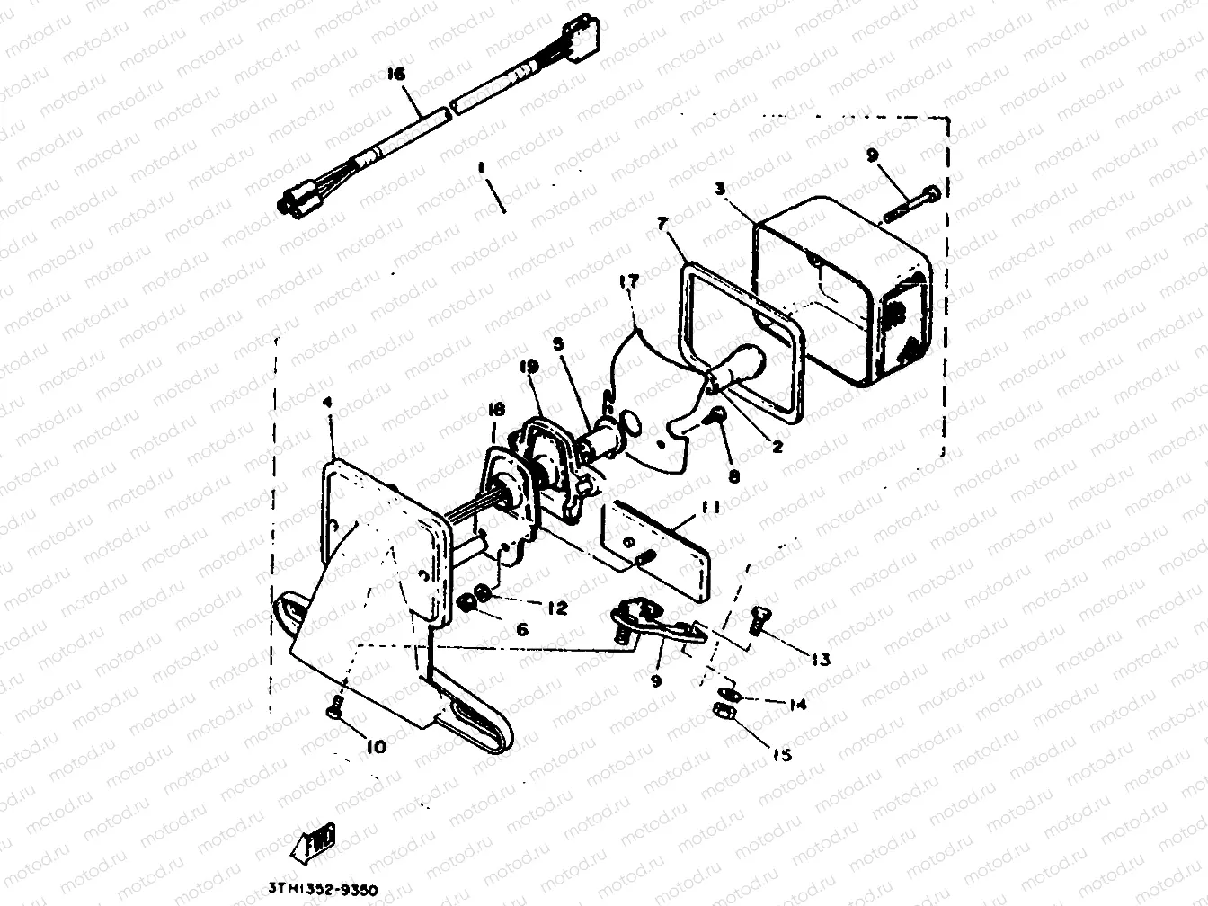
1
3Y6-84700-60
Taillight Assembly
27 144 ₽
2
256-84716-61
.COVER, TAILLIGHT
Цена по
запросу
3
1M1-84521-60
Крышка фонаря (линза)
4 998 ₽
4
3Y6-84751-00
Bracket, License
3 917 ₽
5
3Y1-84536-00
.SOCKET CORD ASSY
Цена по
запросу
6
95380-05600
Гайка
152 ₽
7
1VJ-14462-00
Уплотнение
858 ₽
8
97780-40116
Винт
238 ₽
9
3Y1-84524-00
Screw, Lens Fitting
318 ₽
10
98980-04008
Винт
111 ₽
11
3Y6-85130-02
Катафот
2 289 ₽
12
92990-05100
Шайба
111 ₽
13
97D95-06016
Bolt, Hexagon Deep Recess
136 ₽
14
92995-06100
Шайба
95 ₽
15
95380-06600
Гайка
95 ₽
16
21L-H4717-00
CORD, TAILLIGHT
Цена по
запросу
17
3Y1-84531-00
Reflecter, Tail Light
2 003 ₽
18
3Y6-84713-00
HOLDER, BASE SEAT
Цена по
запросу
19
3Y1-83527-00
DAMPER
Цена по
запросу

Узлы для