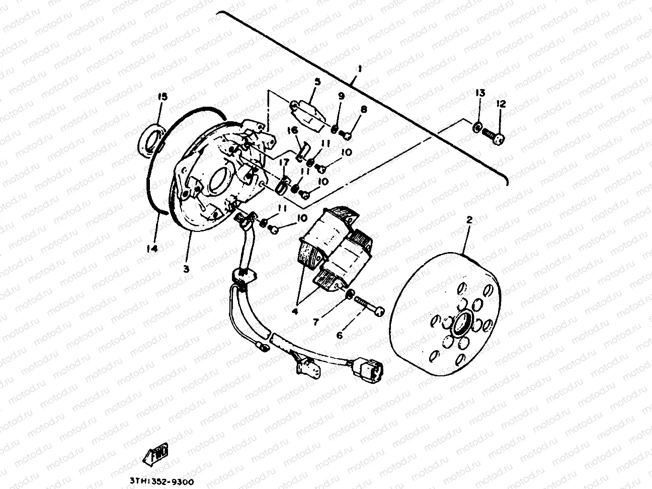
GENERADOR

GENERADOR
1
3Y6-81400-20
AC MAGNET GENERATOR ASSY
Цена по
запросу
2
3Y6-81450-10
.ROTOR ASSY
Цена по
запросу
3
3Y6-81410-10
Stator
Цена по
запросу
4
3Y6-81413-10
.COIL, LIGHTING
Цена по
запросу
5
3Y6-81416-10
Катушка
17 409 ₽
6
98507-05035
Винт
152 ₽
7
92990-05100
Шайба
111 ₽
8
98580-04010
Винт
95 ₽
9
92990-04100
Шайба
111 ₽
10
98580-04008
Винт
111 ₽
11
92990-04100
Шайба
111 ₽
12
98580-06020
Винт
95 ₽
13
92990-06600
Шайба
95 ₽
14
93211-19413
Кольцо уплотнительное
556 ₽
15
93102-25218
Сальник
1 017 ₽
16
3Y6-81443-10
CLAMP, LEAD 1
Цена по
запросу
17
3Y6-81444-10
CLAMP, LEAD 2
Цена по
запросу

Узлы для