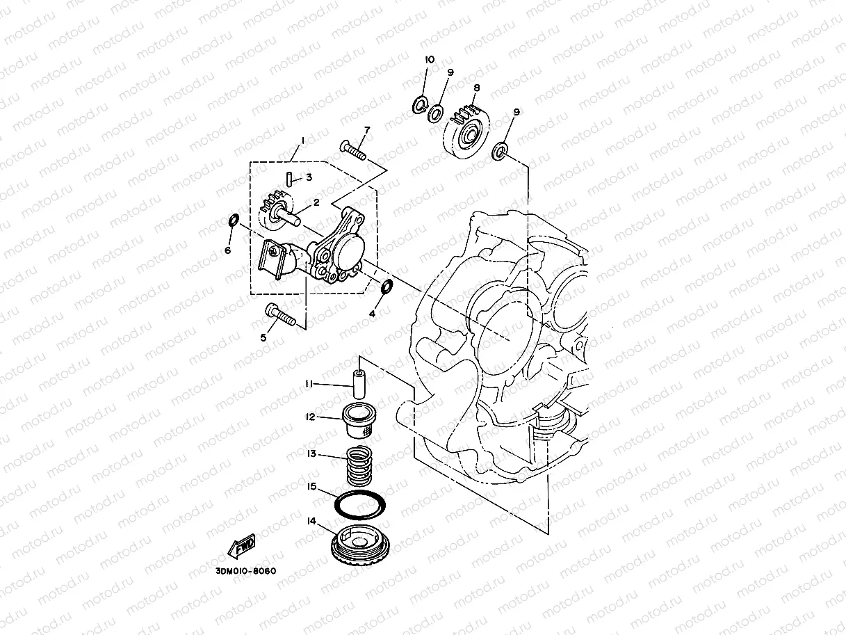
МАСЛЯНЫЙ НАСОС для XV250 VIRAGO (3LS4) 1993 YAMAHA Virago XV 250 (VIN: 3LS)

OIL PUMP

Узлы для