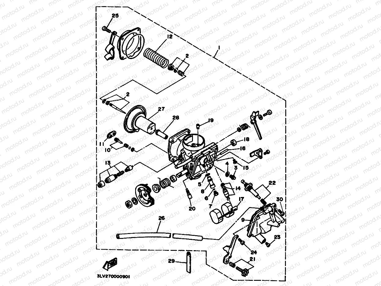
КАРБЮРАТОР для XV250 VIRAGO (3LS4) 1993 YAMAHA Virago XV 250 (VIN: 3LS)

CARBURETOR

Узлы для