Meter(s)

Meter(s)
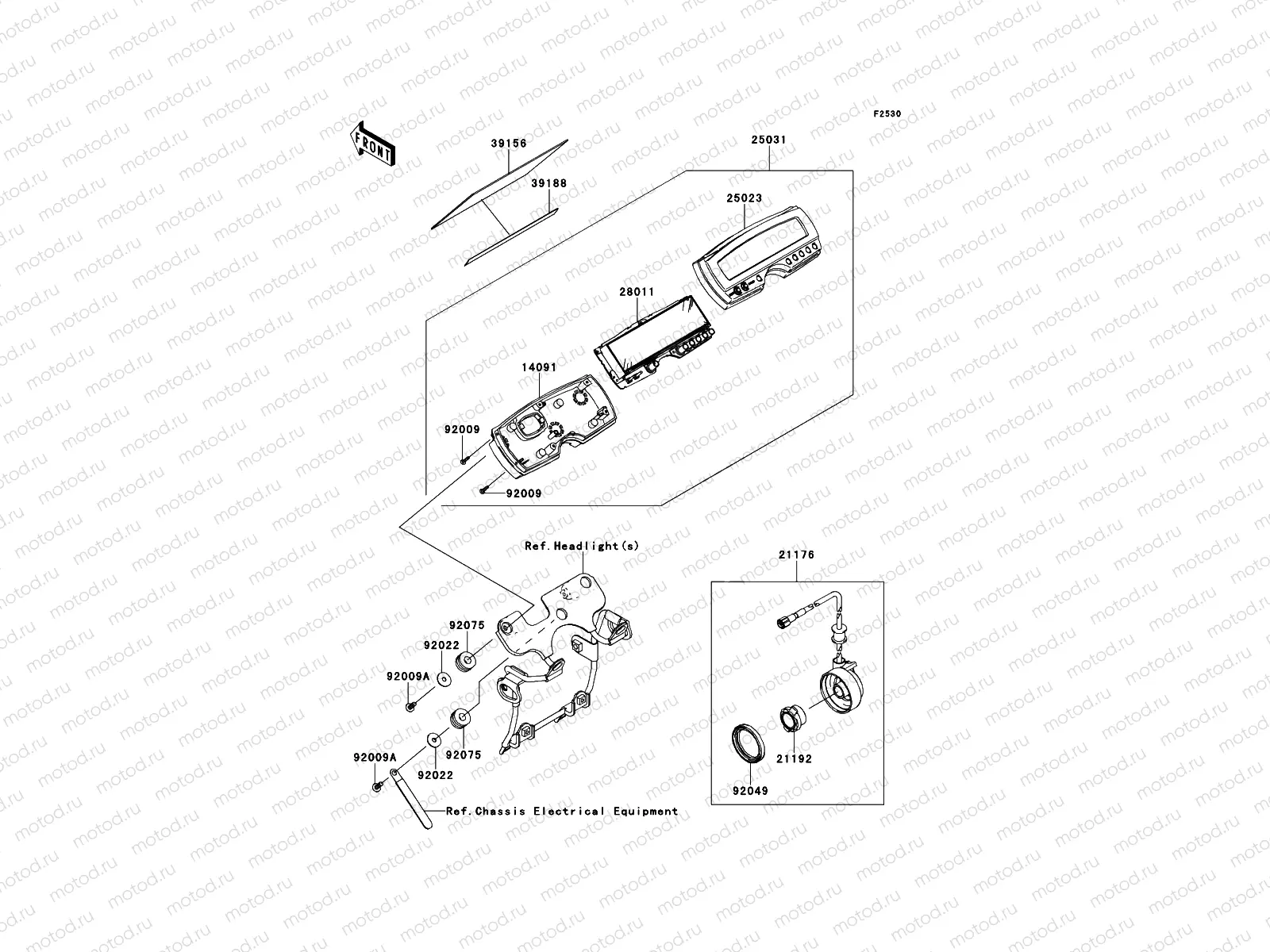
14091
14091-0874
COVER,METER,LWR
16 226 ₽
21176
21176-0757
SENSOR,SPEED
29 078 ₽
21192
21192-0004
MAGNET,SPEED SENSOR
2 185 ₽
25023
25023-0035
COVER-METER CASE,UPP
10 844 ₽
25031
25031-0170
METER-ASSY,LCD
60 869 ₽
28011
28011-0105
METER,LCD
30 434 ₽
39156
39156-0478
PAD,HEAD LAMP
643 ₽
39188
39188-0012
TAPE
482 ₽
92009
92009-1164
SCREW,TAPPING,3X16
241 ₽
92009
92009-1197
Vis (5x14)
238 ₽
92022
92022-1405
WASHER,5.5X20X1.2
257 ₽
92049
92049-1172
SEAL-OIL,METER GEAR C
1 086 ₽
92075
92075-1690
Damper
289 ₽

Узлы для