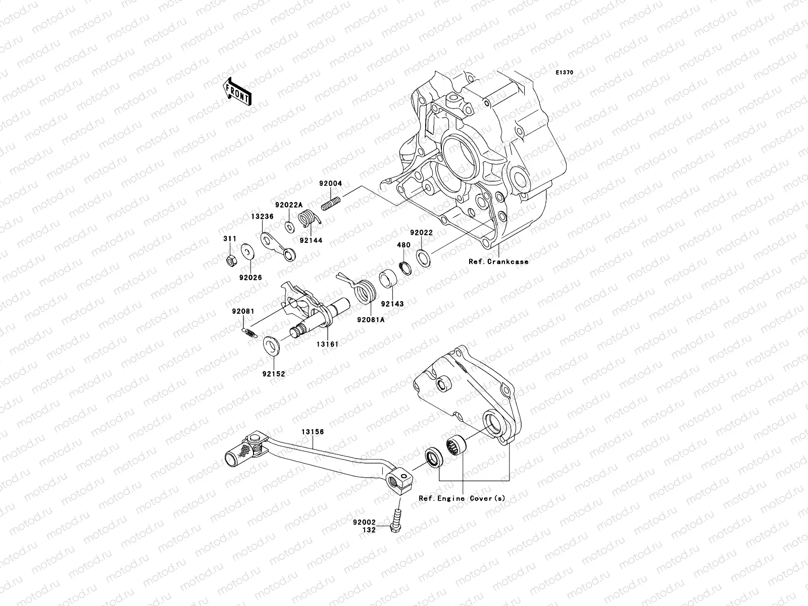
Gear Change Mechanism

Gear Change Mechanism
311
311BA-0600
NUT-HEX,6MM
97 ₽/шт
480
480J1-300
Seeger
97 ₽/шт
13156
13156-1480
Gear change pedal
5 301 ₽/шт
13161
13161-1214
Shift shaft assy
4 820 ₽/шт
13236
13236-1209
LEVER-COMP,NEUTRAL PO
1 398 ₽/шт
92002
92002-1237
Vis
92004
172BA-0612
Stud bolt
113 ₽/шт
92022
92022-1496
WASHER,13.3X20X1
238 ₽/шт
92022
92022-1827
Rondelle (6x12,8x1,2)
274 ₽/шт
92026
92026-1217
Entretoise
305 ₽/шт
92081
92081-076
SPRING-CHANG LEVER
305 ₽/шт
92081
92081-1129
SPRING,TENTION
579 ₽/шт
92143
92143-1148
Entretoise
274 ₽/шт
92144
92144-1695
Spring
498 ₽/шт
92152
92152-1075
Entretoise
241 ₽/шт

Узлы для