INTAKE and EXHAUST - A05BG50AA/FA (4999200099920009D09) | INTAKE and EXHAUST - A05BG50AA/FA (4999200099920009D09)

INTAKE and EXHAUST - A05BG50AA/FA (4999200099920009D09) | INTAKE and EXHAUST - A05BG50AA/FA (4999200099920009D09)
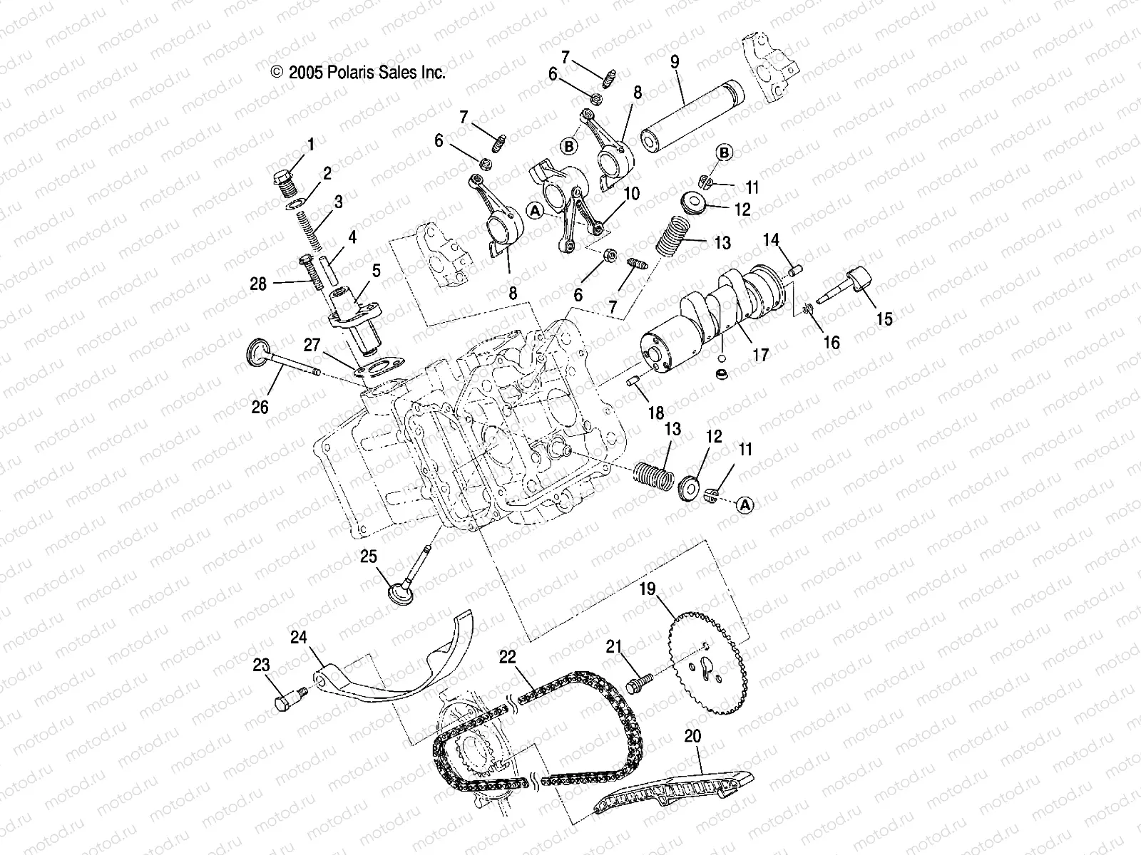
1
3087129
PLUG
Цена по
запросу
2
3087130
GASKET PLUG
Цена по
запросу
3
3087131
SPRING TENSIONER
Цена по
запросу
4
3087132
PIN
Цена по
запросу
5
3086493
TENSIONER ASM.
Цена по
запросу
6
3084912
Nut
Цена по
запросу
7
3084911
SCREW ADJUSTING
Цена по
запросу
8
3084910
ROCKER ARM ASM INTAKE
Цена по
запросу
9
3084909
SHAFT ROCKER
Цена по
запросу
10
3084913
ROCKER ARM ASM EXHAUST
Цена по
запросу
11
3084908
COLLET VALVE
Цена по
запросу
12
3087203
RETAINER-VALVE SPRING
Цена по
запросу
13
3086892
SPRING VALVE
Цена по
запросу
14
3086838
Dowel pin
Цена по
запросу
15
3085348
LEVER RELEASE
Цена по
запросу
16
3085076
SPRING RETURN
Цена по
запросу
17
3085855
ASM. CAMSHAFT
Цена по
запросу
18
3084899
Dowel pin
Цена по
запросу
19
3084914
SPROCKET 2
Цена по
запросу
20
3084916
GUIDE CHAIN
Цена по
запросу
21
3081657
BOLT&WASHER ASM.
Цена по
запросу
22
3084915
Chaîne distribution
Цена по
запросу
23
3084924
ASM. BOLT PIVOT LEVER
Цена по
запросу
24
3084917
LEVER
Цена по
запросу
25
3085349
Valve (IN)
Цена по
запросу
26
3085412
Valve (EX)
Цена по
запросу
27
3086448
Exhaust gasket
Цена по
запросу
28
3083361
Vis
Цена по
запросу

Узлы для