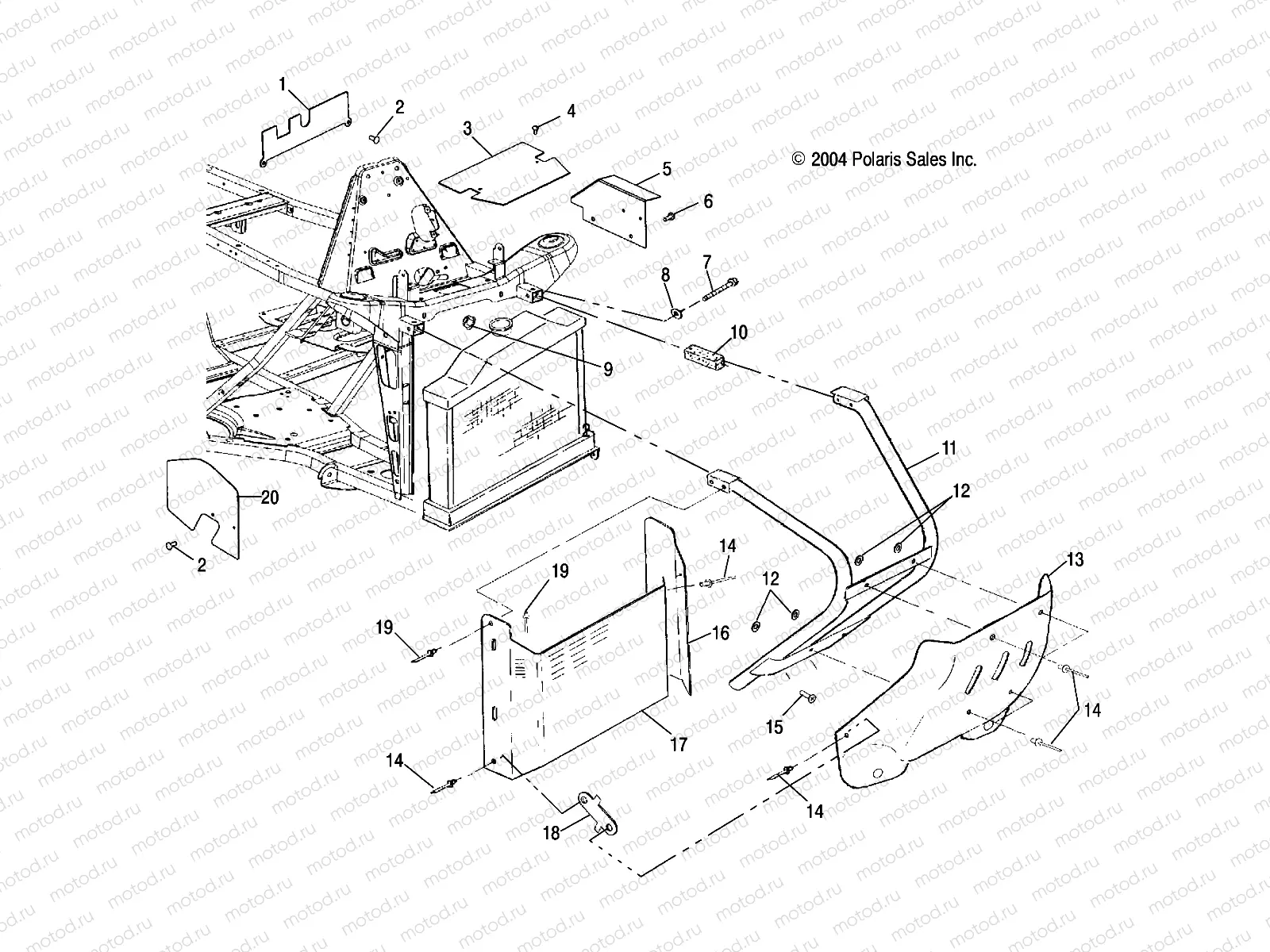
FRONT BUMPER and SHIELDS - A05BG50AA/FA (4994789478A05) | FRONT BUMPER and SHIELDS - A05BG50AA/FA (4994789478A05)

FRONT BUMPER and SHIELDS - A05BG50AA/FA (4994789478A05) | FRONT BUMPER and SHIELDS - A05BG50AA/FA (4994789478A05)
1
5434162
SHIELD-SPLASH REAR
Цена по
запросу
2
7670088
CLIP PLASTIC DART NYLON
Цена по
запросу
3
5435455
Shield, Splash, Front
Цена по
запросу
4
7522026
Vis
Цена по
запросу
5
5247602-067
SHIELD-SPLASH LH BLK
Цена по
запросу
6
7517386
Vis
Цена по
запросу
7
7512329
Vis
Цена по
запросу
8
7558402
WASHER FLAT
Цена по
запросу
9
7542324
Nut (SELF-LOCKING)
Цена по
запросу
10
5811675
PLUG FRAME FOAM
Цена по
запросу
11
1012773-067
BUMPER FR GEN 3 BLK.
Цена по
запросу
12
7555827
Rondelle
Цена по
запросу
13
5432378-216
Plate, Skid, Bumper, Scr. Yellow
Цена по
запросу
14
7621418
RIVET POP
Цена по
запросу
16
5248297-458
SHIELD-RADIATOR SIDE LH M.BLK
Цена по
запросу
17
5248298-067
SHIELD-RADIATOR SIDE RH BLK
Цена по
запросу
18
5248299
BRKT-RADIATOR SHIELD 3/16 PLTD
Цена по
запросу
19
7661121
RIVET-1/4MULTIGRIP .08-.35 B
Цена по
запросу
20
5434085
GUARD-SPLASH RH
Цена по
запросу

Узлы для