ГЕНЕРАТОР для YE50 ZEST (4LN3) 1995 YAMAHA Zest 50 YE (VIN: 4LN)

GENERATOR
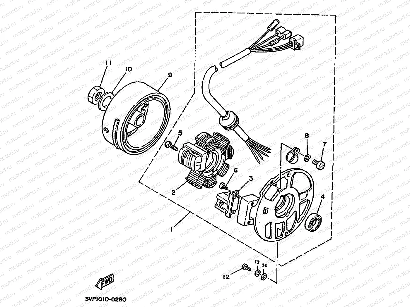
1
3KJ-85560-00
Основание
25 296 ₽
2
3VP-81403-00
Statorcomp
14 827 ₽
3
2JA-85580-M0
Coil, Pulser
4 998 ₽
4
93104-19097
Сальник
477 ₽
5
98517-05020
Винт
191 ₽
6
98517-05010
Винт
111 ₽
7
98517-04006
Болт
136 ₽
8
92990-04100
Шайба
111 ₽
9
2JA-85550-02
Rotor Assy
10 362 ₽
10
92907-10600
Шайба
95 ₽
11
90170-10011
Гайка
127 ₽
12
98980-06020
Винт
152 ₽
13
92995-06100
Шайба
95 ₽
14
92990-06600
Шайба
95 ₽

Узлы для