КОЛЕНВАЛ И ПОРШЕНЬ для YE50 ZEST (4LN3) 1995 YAMAHA Zest 50 YE (VIN: 4LN)

CRANKSHAFT & PISTON
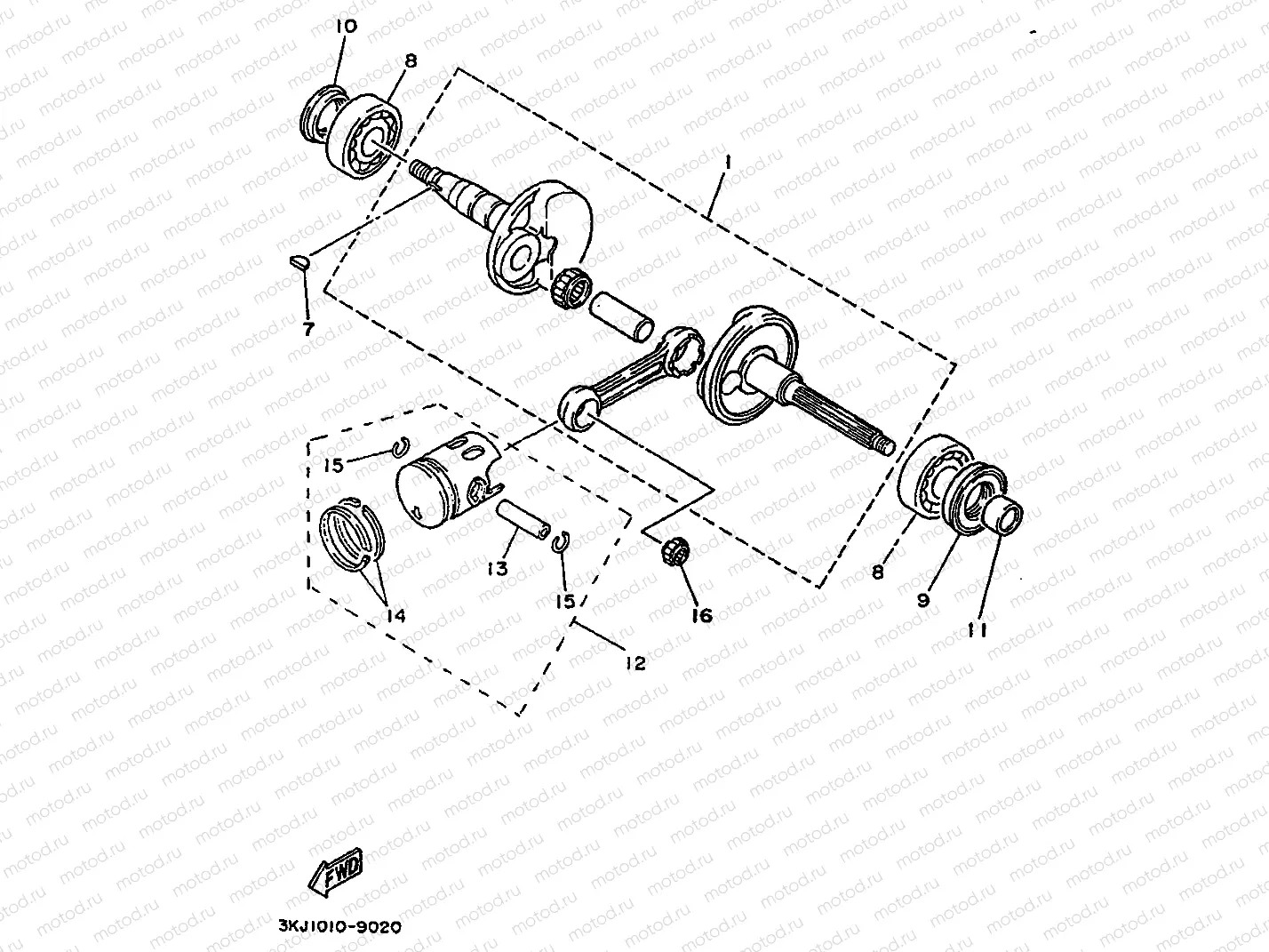
1
5RN-E1400-11
Vilebrequin
Цена по
запросу
7
90280-03017
Шпонка
175 ₽
8
93306-20458
Подшипник
2 178 ₽
9
93102-20371
Сальник
683 ₽
10
93101-20138
Сальник
922 ₽
11
90387-156U0
Втулка
763 ₽
12
3VL-E1631-00
Piston (40,00 mm)
Цена по
запросу
12
3VL-E1636-00
Piston (0.50MM O/S)
Цена по
запросу
13
3VL-E1633-00
Piston pin
Цена по
запросу
14
3VL-E1610-00
PISTON RING SET (STD)
Цена по
запросу
14
3VL-E1610-20
Kir segment (0.50MM O/S)
Цена по
запросу
15
93450-11120
ПОЛУКОЛЬЦО МЕТАЛЛИЧЕСКОЕ
175 ₽
16
93310-210M0
Подшипник поршевого пальца
1 033 ₽

Узлы для