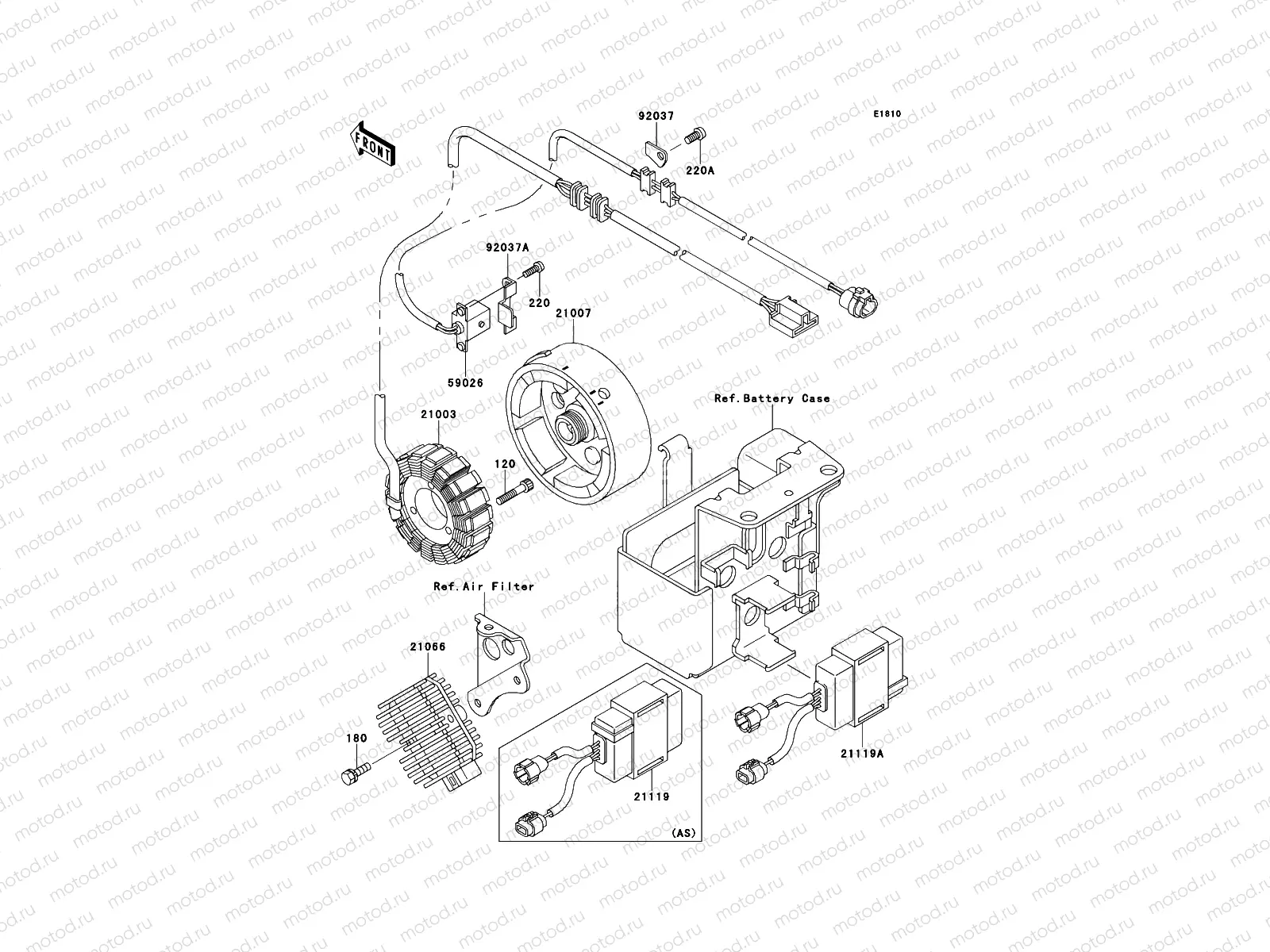
Generator

Generator
120
120CA-0630
BOLT-SOCKET,6X30
466 ₽
180
180AA-0620
BOLT-UPSET-WS
113 ₽
220
220AA-0514
Vis (5x14)
80 ₽
220
220AA-0612
SCREW-PAN-CROSS,6X12
64 ₽
21003
21003-1276
STATOR
21007
21007-1361
ROTOR
21066
21066-1089
Régulateur de tension
18 635 ₽
21119
21119-1447
IGNITER
59026
59026-1092
COIL-PULSING
92037
92037-1656
CLAMP,WIRING HARNESS
92037
92037-1987
Collier

Узлы для