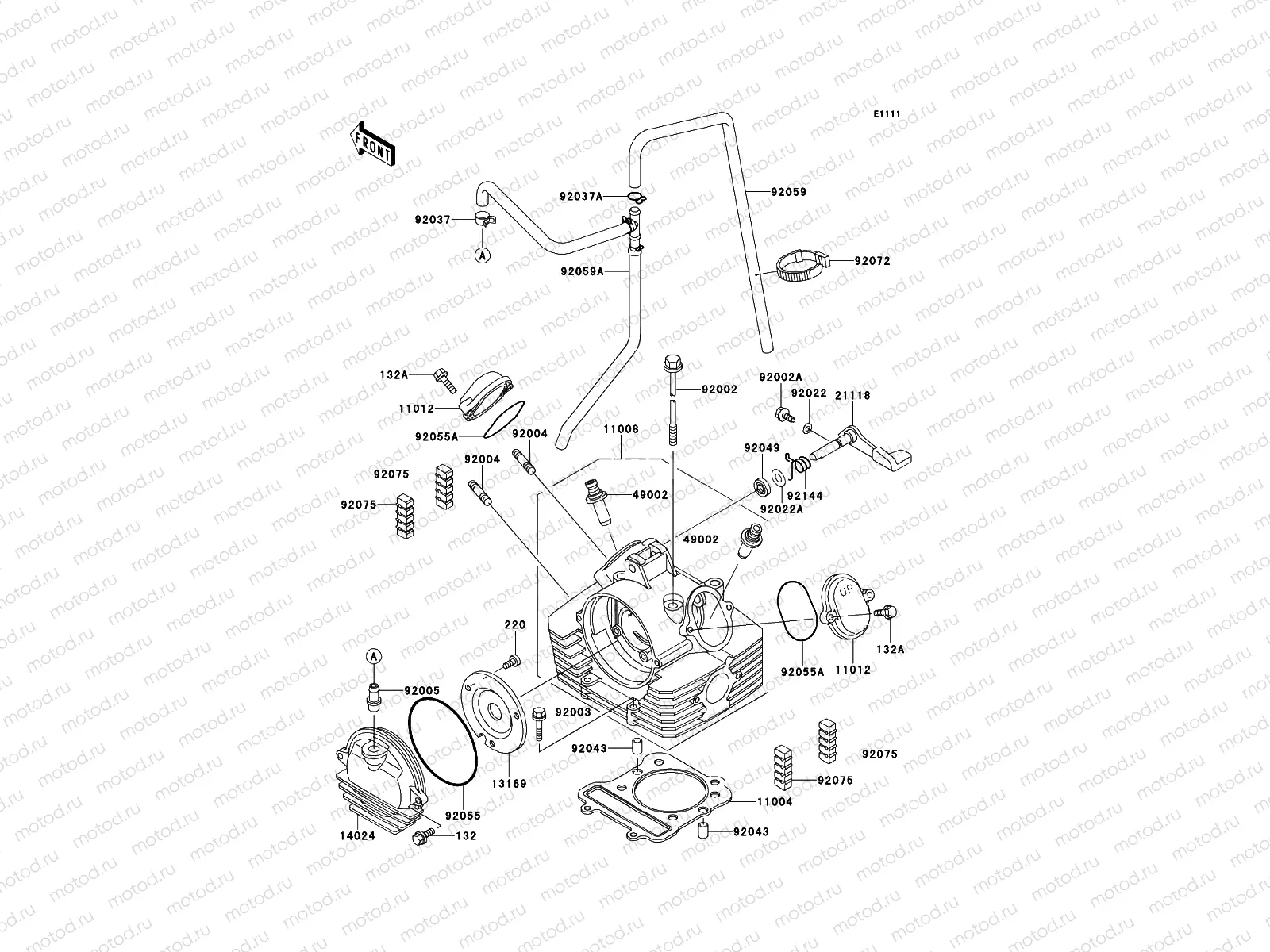
Cylinder Head

Cylinder Head
132
132BD-0616
Vis
113 ₽
132
92150-1773
Vis
220
220AA-0610
SCREW-PAN-CROS,6X10
97 ₽
11004
11004-1340
Joint culasse
11008
11008-1292
Cylinder head
11012
11012-1486
CAP,ROCKER ARM
1 864 ₽
13169
13169-1961
PLATE,CAMSHAFT COVER
14024
14024-1060
COVER,CAMSHAFT
21118
21118-1062
DECOMPRESSOR,LEVER
49002
49002-1092
Guide de soupape
92002
92002-1515
Vis (8x233)
92002
92002-1962
BOLT,DECOMPRESSOR
92003
92003-229
BOLT, 6X32
546 ₽
92004
92004-1121
STUD,8X30
305 ₽
92005
92005-1124
FITTING,BREATHER PIPE
92022
92022-077
10 pc - Rondelle
238 ₽
92022
92022-1649
WASHER,10.2X20X0.5
257 ₽
92037
92037-1181
Collier
348 ₽
92037
92037-1271
CLAMP,FUEL TUBE
338 ₽
92043
92043-1264
5 pc - Dowel pin (8.2X10X14)
161 ₽
92049
92049-1542
SEAL-OIL
506 ₽
92055
92055-107
"""O"" RING, 990"
1 324 ₽
92055
92055-112
O-Ring (53.5x2.6)
305 ₽
92059
92059-1511
TUBE,BREATHER
92059
92059-1787
TUBE
92072
92072-031
BAND,MIDDLE
289 ₽
92075
92075-1657
Damper
803 ₽
92144
92144-1154
SPRING,DECOMPRESSOR

Узлы для