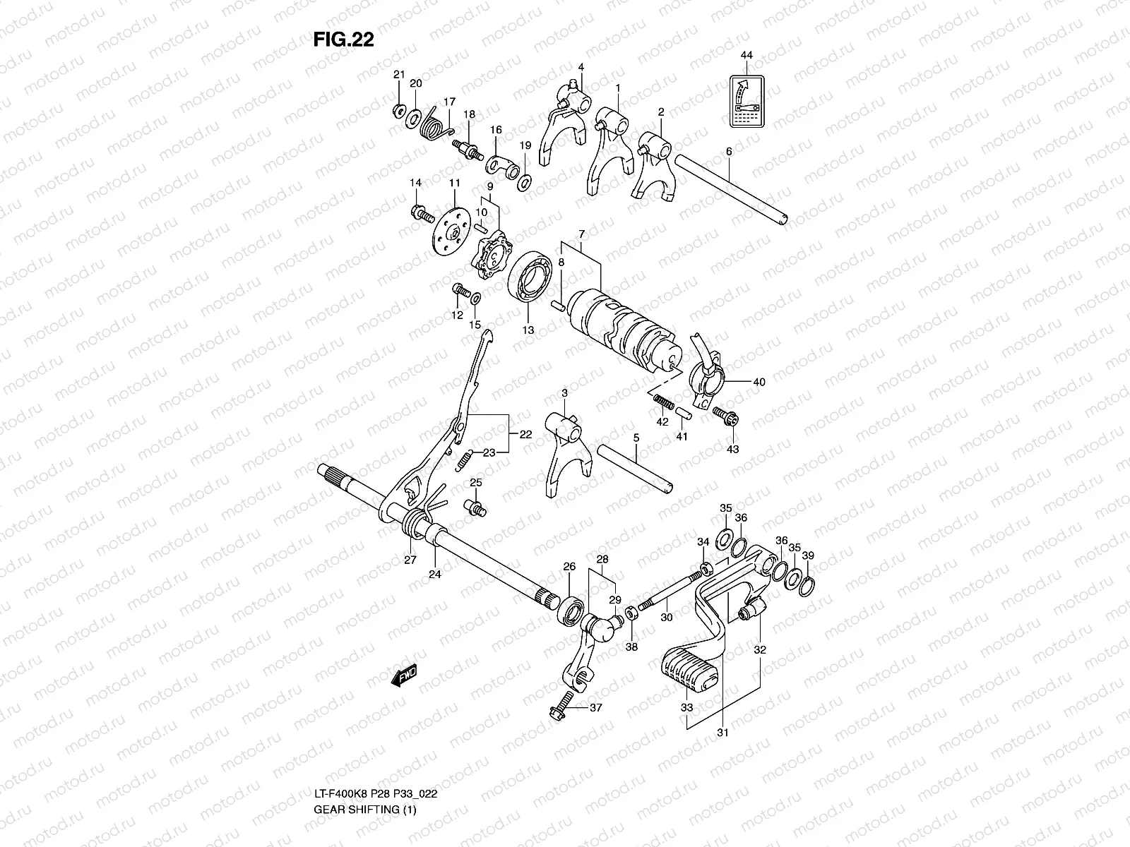
GEAR SHIFTING (1)

GEAR SHIFTING (1)
1
25211-19B00
Fork,gear shift
2
25221-19B00
Fork,gear shift
3
25231-19B00
Fork,gear shift
4
25240-38F60
Fork,gear shift
5
25411-14311
SHAFT,GEAR SHIFT FORK
1 150 ₽/шт
6
25411-18900
SHAFT,GEAR SHIFT FORK
1 150 ₽/шт
7
25310-38F50
Cam,gear shift
8
04221-04089
шпонка ведомой звездочки балансира
81 ₽/шт
9
25380-44D00
Plate,gear shif
10
09261-04002
ROLLER(4X13.8)
97 ₽/шт
11
25382-44D00
Guide,gear shif
12
09125-06110
БОЛТ
162 ₽/шт
13
09262-25006
BEARING(25X47X8)
1 496 ₽/шт
14
01500-0620B
OLT
1 060 ₽/шт
15
08211-06165
Rondelle
16
25350-24B00
STOPPER,GEAR SHIFT CAM
774 ₽/шт
17
25355-38F60
Spring,gear shi
18
25356-12C00
SUPPORT,CAM STOPPER ARM
833 ₽/шт
19
08211-06141
Шайба
1 170 ₽/шт
20
08211-06181
Шайба
1 250 ₽/шт
21
08316-1006B
Гайка
81 ₽/шт
22
25510-38F60
Shaft,gear shif
23
25518-38F50
Spring,gear shi
24
25516-44D00
Spacer,gear shi
25
25671-36A00
Стопор
274 ₽/шт
26
09283-14006
САЛЬНИК МЕХАНИЗМА ВЫБОРА КПП
678 ₽/шт
27
09444-26025
Пружина
2 660 ₽/шт
28
25520-38F61
Arm,gear shift
29
25526-47001
Cover,dust
258 ₽/шт
30
25525-26B10
Rod,gear shift
31
25600-27H51
Gear change pedal
32
25526-47001
Cover,dust
258 ₽/шт
33
25652-24401
Rubber,gear shi
34
09140-06025
Гайка
81 ₽/шт
35
09160-13003
Шайба
1 170 ₽/шт
36
09280-10016
КОЛЬЦО УПЛОТНИТЕЛЬНОЕ РЕЗИНА
162 ₽/шт
37
01550-0620B
БОЛТ
81 ₽/шт
38
NUT
39
08331-3113A
КЛИПС
102 ₽/шт
40
37720-38F10
Base assy,neut
41
09209-05011
ШТИФТ
178 ₽/шт
42
09440-04010
ПРУЖИНА
113 ₽/шт
43
07120-0516B
БОЛТ
1 520 ₽/шт
44
68392-24221
Label,gear shif
44
68392-24210
Label,gear shif

Узлы для