CARBURETOR (MODEL K8/K9)

CARBURETOR (MODEL K8/K9)
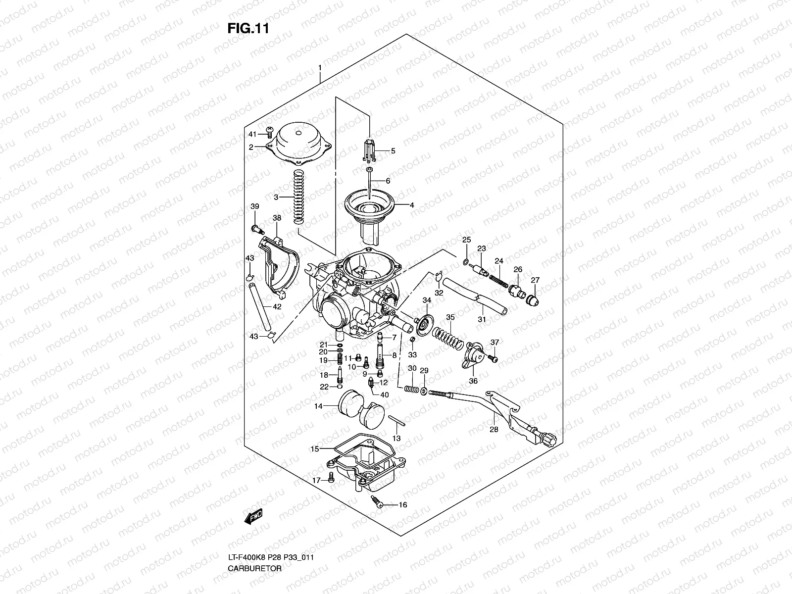
1
CARBURETOR ASSY [MODEL K8 P33, MODEL K9]
1
13200-27H1V
Carburettor
2
13502-38F00
Diaphragm cover
3
13503-38F00
Spring
4
13501-27H00
Diaphragm
5
13382-26E00
Пружина
1 632 ₽/шт
6
13383-27H00
Needle,jet
7
09494-00869
Жиклер
2 796 ₽/шт
8
13342-38F00
Holder,needle j
9
09491-25022
Jet,main(#125.0
10
09492-38005
Жиклер
1 189 ₽/шт
11
09491-55009
Jet,main(#55)
12
13370-38F00
Valve assy,need
13
13254-26E00
Поплавок прокладки
231 ₽/шт
14
13250-26E00
Поплавок
4 692 ₽/шт
15
13258-26E00
O RING
747 ₽/шт
16
13247-C43E0-0J000
Plug,drain
17
13602-26E10
Болт
387 ₽/шт
18
13279-03FA0
Винт настройки
790 ₽/шт
19
13268-26E00
Пружина
364 ₽/шт
20
13291-26E00
Шайба
170 ₽/шт
21
13295-26E00
O RING
187 ₽/шт
22
13281-26E00
CAP
383 ₽/шт
23
13410-27H00
Valve assy,star
24
13417-03G00
Spring
25
13686-03G00
O-Ring
26
13418-03G00
Holder
27
13681-28E00
CAP,CARBURETOR
680 ₽/шт
28
13270-27H00
Screw,top
29
13273-03G00
Rondelle
30
13268-35F00
Пружина
321 ₽/шт
31
13683-27H00
Hose
32
13693-24F00
CLIP
160 ₽/шт
33
13486-15F01
U Ring
170 ₽/шт
34
13480-38F01
Diaphragm
35
13481-15F00
SPRING
170 ₽/шт
36
13484-15F00
COVER
2 151 ₽/шт
37
13601-15F10
Болт
246 ₽/шт
38
13578-03G00
Couvrir
39
13601-11F00
Болт
184 ₽/шт
40
13375-26E00
CLIP
348 ₽/шт
41
13602-43E00-X00
Vis
42
13698-27H00
Hose
43
13671-26E00
CLIP
242 ₽/шт

Узлы для