FRONT CAB BIG BOSS 6X6 400L W97AE38A (4940814081A005) | FRONT CAB BIG BOSS 6X6 400L W97AE38A (4940814081A005)

FRONT CAB BIG BOSS 6X6 400L W97AE38A (4940814081A005) | FRONT CAB BIG BOSS 6X6 400L W97AE38A (4940814081A005)
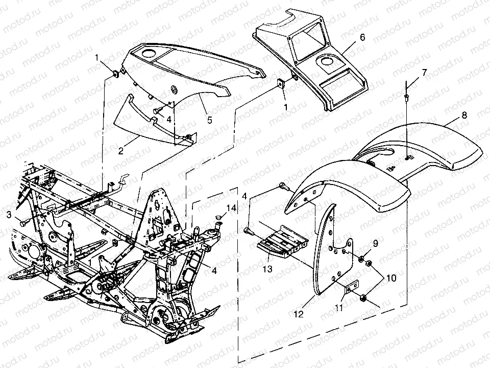
1
7670060
NUT SPEED
Цена по
запросу
2
5430970-195
COVER,LH,SIDEPANEL,GRN. Substituted by 5433382-195
Цена по
запросу
2
5430971-195
COVER,RH,SIDEPANEL, GRN. Substituted by 5433579-195
Цена по
запросу
3
7512232
Vis
Цена по
запросу
4
7512282
BOLT BLACK
Цена по
запросу
5
5431263-195
COVER FUELTANK GREEN
Цена по
запросу
7
7621460
RIVET
Цена по
запросу
8
2631704-195
CAB ASM,FR,LIQ,GR. (Incl. Warning Decals)
Цена по
запросу
9
7555859
WASHER FLAT
Цена по
запросу
10
7542122
NUT-NYLOK
Цена по
запросу
11
5211020-067
BRKT RH MUD FLAP
Цена по
запросу
11
5211131-067
BRKT LH MUD FLAP
Цена по
запросу
12
5850128
MUDFLAP LH FRONT
Цена по
запросу
12
5850129
MUDFLAP,RH,FRONT
Цена по
запросу
13
LR--
CALIPER, BRAKE, RH
Цена по
запросу
14
5410012
PLUG RUBBER-HOLE .5DIA
Цена по
запросу

Узлы для