EXHAUST SYSTEM BIG BOSS 6X6 400L W97AE38A (4940814081A012) | EXHAUST SYSTEM BIG BOSS 6X6 400L W97AE38A (4940814081A012)

EXHAUST SYSTEM BIG BOSS 6X6 400L W97AE38A (4940814081A012) | EXHAUST SYSTEM BIG BOSS 6X6 400L W97AE38A (4940814081A012)
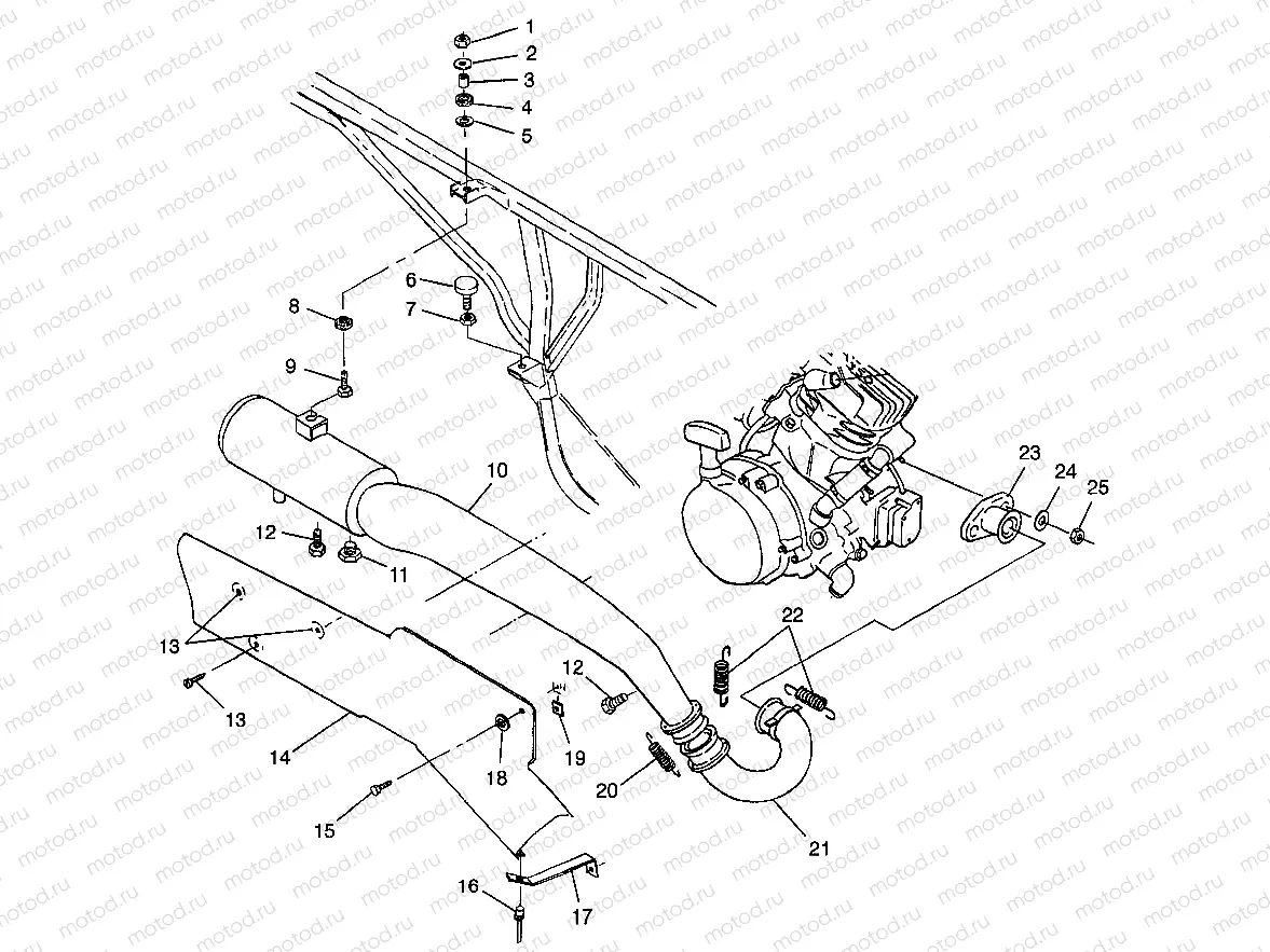
1
7542324
Nut (SELF-LOCKING)
Цена по
запросу
2
7555716
Rondelle
Цена по
запросу
3
5010192
BUSHING
Цена по
запросу
4
5410436
Rondelle (Rubber)
Цена по
запросу
5
7555781
BUSHING
Цена по
запросу
6
3022073
ISOLATOR-STOP 5/16-18M 65DURO
Цена по
запросу
7
7542432
NUT JAM
Цена по
запросу
8
5412508
DAMPENER-VIBRATION
Цена по
запросу
9
7515316
Vis
Цена по
запросу
10
1260616-029
"""EXHAUST WELD (350-6X6)BLK."""
Цена по
запросу
11
7052083
PLUG, CLEANOUT
Цена по
запросу
12
7512666
Vis
Цена по
запросу
13
7515140
Vis
Цена по
запросу
14
1260717
HEATSHIELD ASM.
Цена по
запросу
15
7512282
BOLT BLACK
Цена по
запросу
16
7621462
RIVET
Цена по
запросу
17
5240179-067
BRKT,BLK,HEATSHIELD
Цена по
запросу
18
7558301
WASHER FLAT
Цена по
запросу
19
7670060
NUT SPEED
Цена по
запросу
20
7041687
Spring
Цена по
запросу
21
1260549-029
HEADPIPE WELD.
Цена по
запросу
22
7042029
Spring
Цена по
запросу
23
1260543-029
MANIFOLD, BLK.
Цена по
запросу
24
LR--
CALIPER, BRAKE, RH
Цена по
запросу

Узлы для