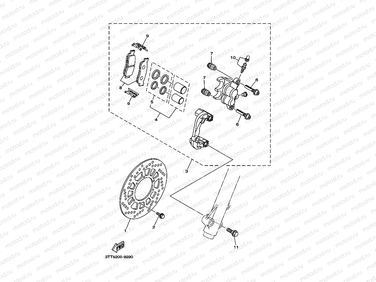
FRONT BRAKE CALIPER

FRONT BRAKE CALIPER

Узлы для