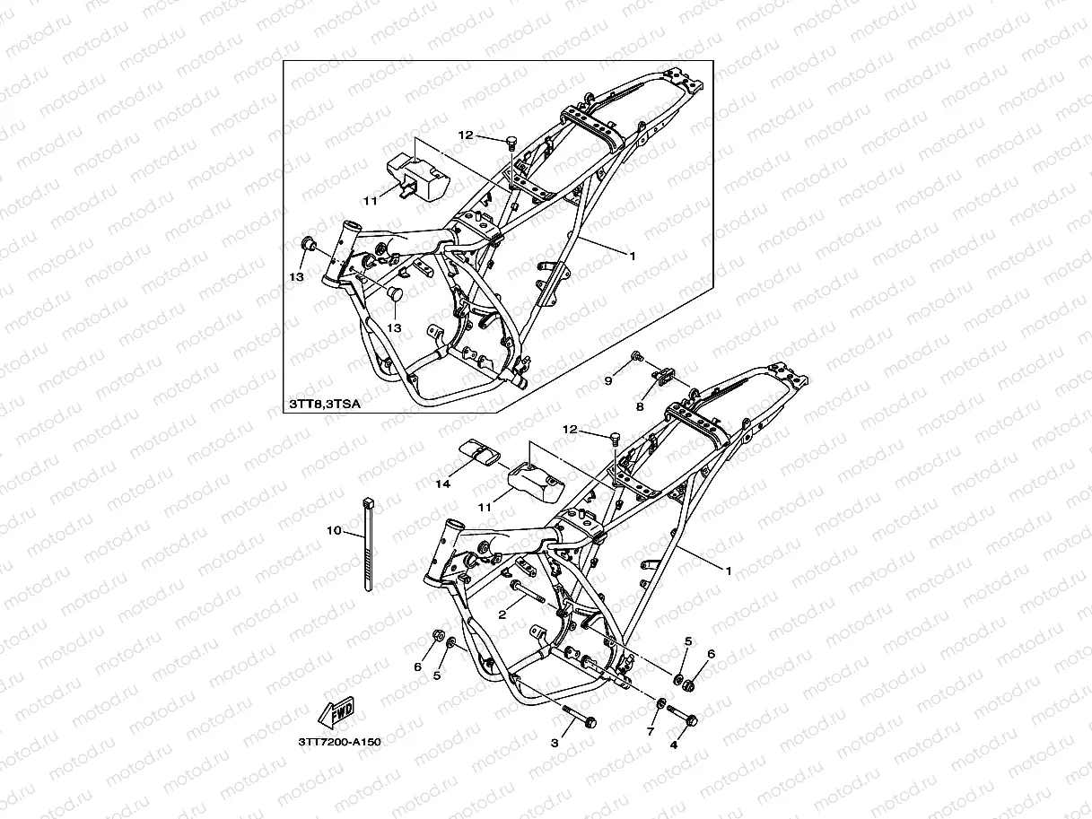
FRAME

FRAME
1
3TT-21110-10-33
FRAME COMP.
Цена по
запросу
1
3TT-21110-10-P0
FRAME COMP.
Цена по
запросу
2
90105-08099
Болт
572 ₽
3
95817-08105
Болт
699 ₽
4
90105-10037
Болт с шайбой
652 ₽
5
92907-08200
Шайба
159 ₽
6
95617-08100
Гайка
334 ₽
7
92907-10100
Шайба гроверная
111 ₽
8
5H0-21308-01
elmet Hanger Assy
5 557 ₽
9
98707-06020
Винт
159 ₽
10
5Y9-12491-00
Хомут пластмассовый
159 ₽
11
3TT-21107-00
OOL BOX COMP.
Цена по
запросу
12
97017-06008
Болт
254 ₽
13
90338-18122
Пробка
175 ₽
14
2A6-W2810-00
Tool Kit
10 585 ₽

Узлы для