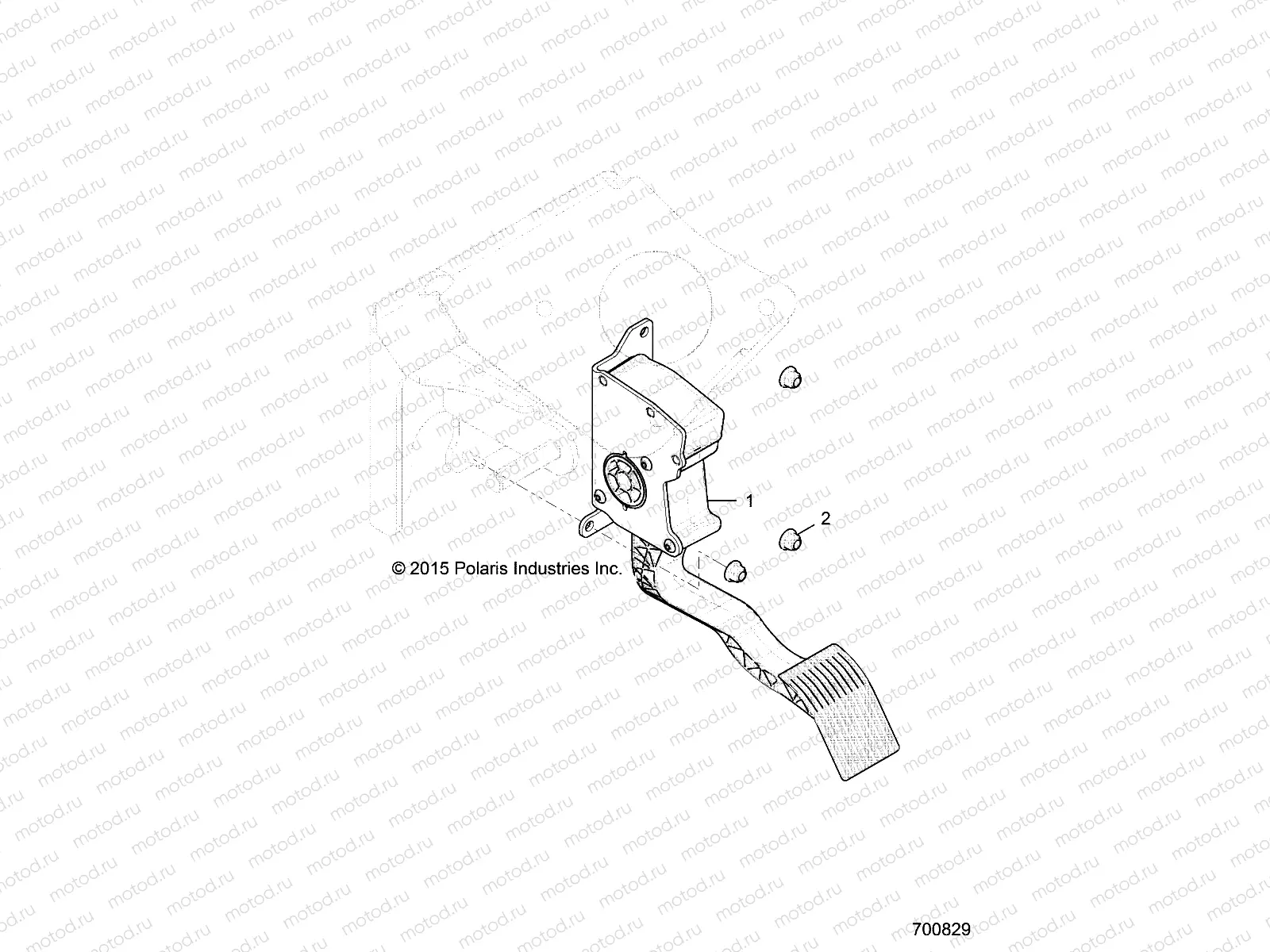
ENGINE | ENGINE, THROTTLE PEDAL - R17RHE99AU (700829)

ENGINE | ENGINE, THROTTLE PEDAL - R17RHE99AU (700829)
1
4015711
PEDAL-ELECTRONIC THROTTLE
Цена по
запросу
2
7547339
NUT-M6X1.0 FLG-NYLOC-OLIVE D
Цена по
запросу

Узлы для